EasyManua.ls Logo

JBL JSR-400 - Page 19

JBL JSR-400
67 pages
Print Icon
To Next Page IconTo Next Page
To Next Page IconTo Next Page
To Previous Page IconTo Previous Page
To Previous Page IconTo Previous Page
Loading...
H
G
F
F
G
H
ED
C
BA
AB
C
DE
I
I
1
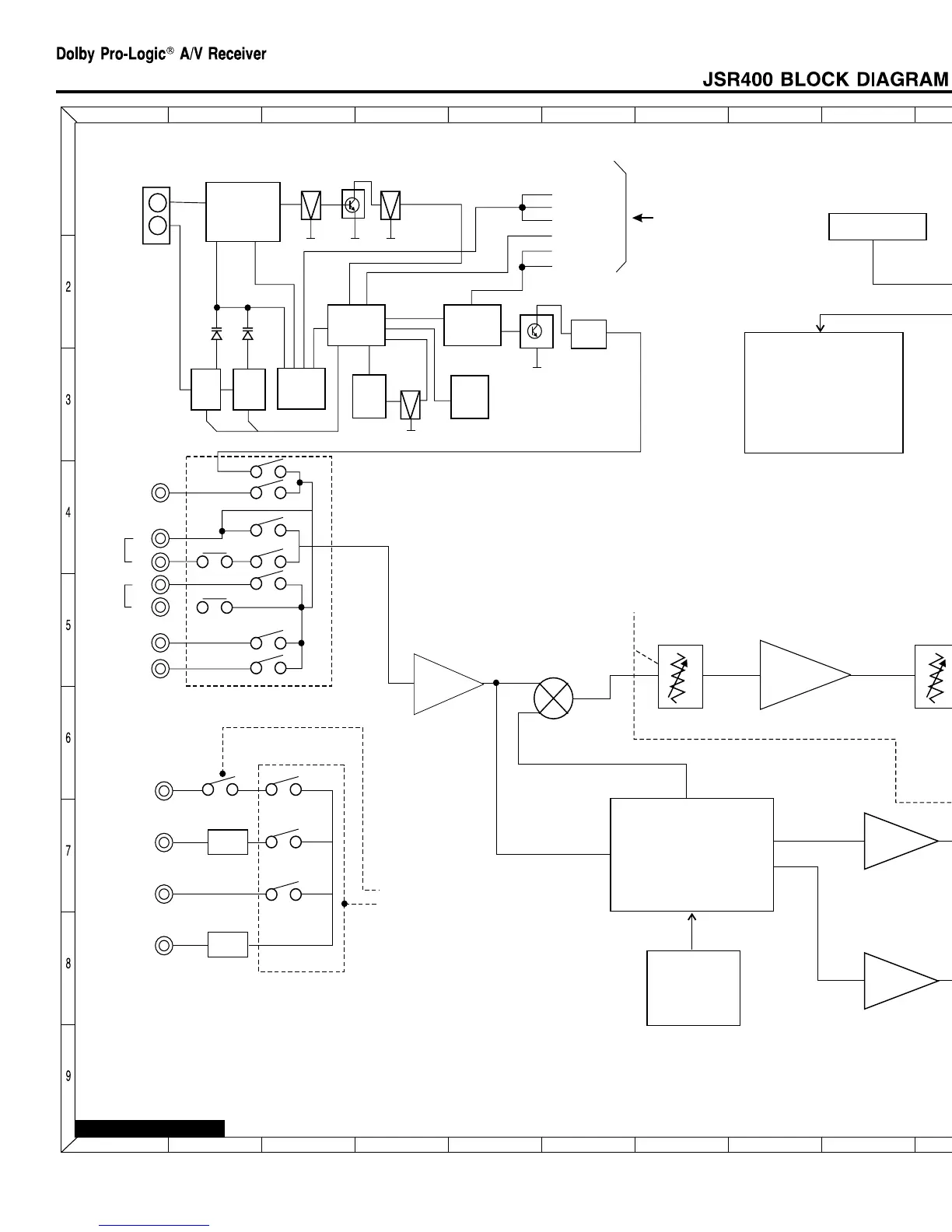
FM
AM
FM
FRONT END
AM
ANT
AM
OSC
PLL IC
LM7001
ANT
IC2
IC3
F101
F102
AM
IF T
F202
AM/FM IF
LA1265
DATA
CLK
CE
TUNED
STEREO
T-MUTE
L.P.F.
FM
DET
IC4
FM MPX
LA3410
CPU
- INPUT PARTS
- SURROUND PARTS
- TUNER PARTS
- MAIN AMP PARTS
- POWER SUPPLY PARTS
BUFFER
BY-PASS
MASTER VOLUME
TONE AMP
FL DISPLAY
RIGH
T
(SAME AS
BALAN
C
14.5dB
R
E
FL
FRO
N
CENT
E
RE
A
MU
T
C-CH
S-CH
2.92dB
0.83dB
DOLBY PRO-LOGIC
ADAPTIVE MATRIX
NJW1102
DIGITAL
DELAY
NJU9702
VCR
VIDEO from CPU
LC4966
6dB AMP
6dB AMP
IC7821
AUDIO
TUNER
TV
I
O
I
O
I
VIDEO
CD
VIDEO
I
O
VCR
VIDEO IN
MONITOR
TAPE
VCR1
JSR-400 BLOCK DIAGRAM
JSR-400 PAGE 18-1of2

Related product manuals