EasyManua.ls Logo

JBL JSR-400 - Page 20

JBL JSR-400
67 pages
Print Icon
To Next Page IconTo Next Page
To Next Page IconTo Next Page
To Previous Page IconTo Previous Page
To Previous Page IconTo Previous Page
Loading...
H
G
G
H
J
I
LMK
O
O
P
P
LMI
J
K
P
U
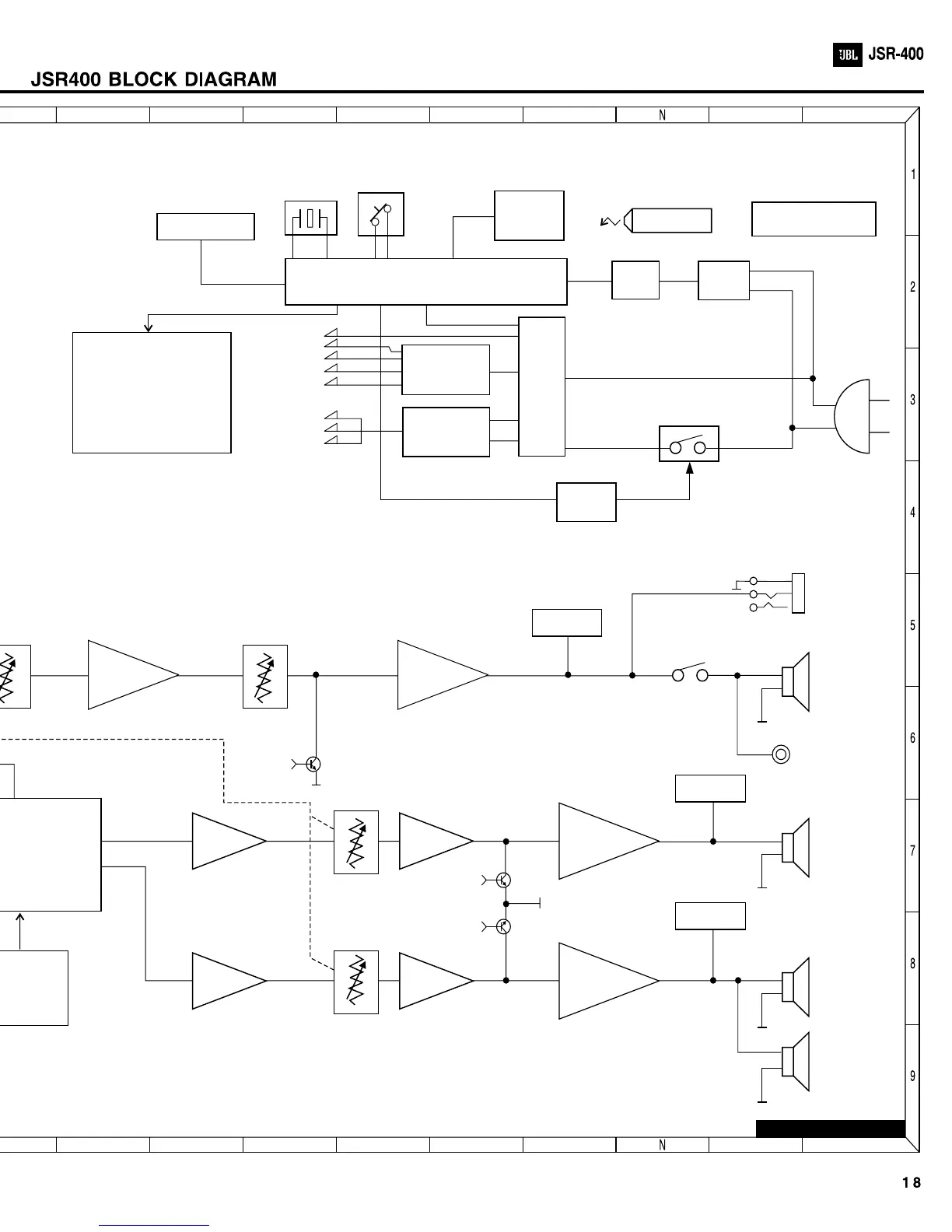
- INPUT PARTS
- SURROUND PARTS
- TUNER PARTS
- MAIN AMP PARTS
- POWER SUPPLY PARTS
VOLUME
TONE AMP
FL DISPLAY
RIGHT CHANNEL
(SAME AS LEFT CHANNEL)
BALANCE
MAIN AMP
14.5dB
KEY MATRIX
RESORNATOR
RMC
SENSOR
CPU
MAIN
POWER
TRANS
REGULATOR
+15V. -15V.
+5V
AMP
POWER
SUPPLY
FL AC 4V
+15V
-15V
+5V
FRONT AMP
CENTER AMP
REAR AMP
COMMANDER
5V
REGU.
ST-BY
TRANS
RELAY
DRIVER
EUROPE : 230/50Hz
USA : 120/60Hz
ST-BY RELAY
HEAD
PHONE
FRONT
SPEAKER
PROTECT
SUB WOOFER
PROTECT
PROTECT
CENTER
SPEAKER
L
REAR
SPEAKER
R
CENTER AMP
REAR AMP
MUTE
MUTE
MUTE
19.3dB
19.3dB
C-CH
S-CH
2.92dB
0.83dB
Y
PRO-LOGIC
T
IVE MATRIX
J
W1102
DIGITAL
DELAY
N
JU9702
JSR-400 PAGE 18-2of2

Related product manuals