EasyManua.ls Logo

JBL MS-8 - Page 13

JBL MS-8
48 pages
Print Icon
To Next Page IconTo Next Page
To Next Page IconTo Next Page
To Previous Page IconTo Previous Page
To Previous Page IconTo Previous Page
Loading...
www.jbl.com
English
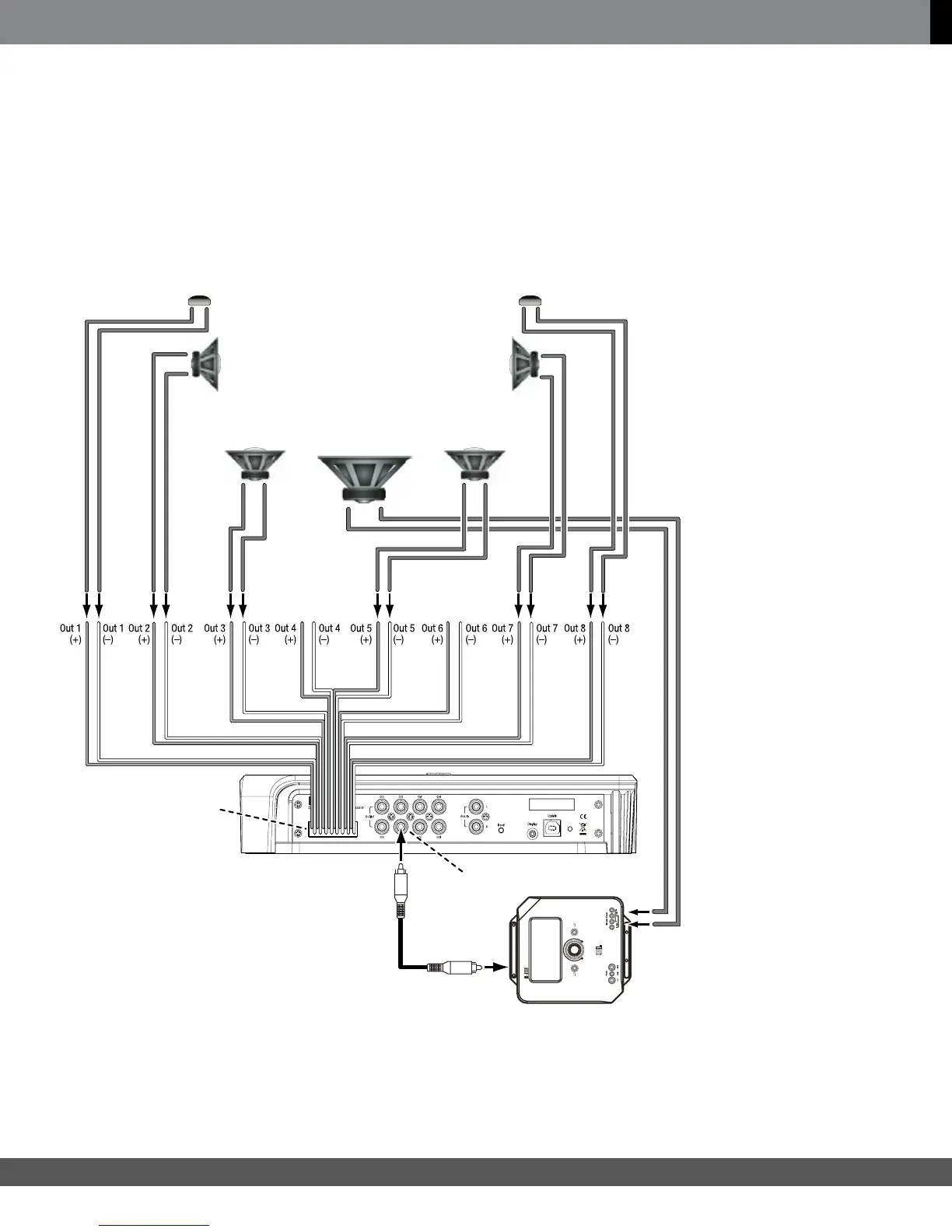
CONNECTIONS
NOTE: You can power some of the system's speakers by the MS-8's ampliers and some by outboard
ampliers, but you should use only one connection type per output. For example, output channel 1 may use the
MS-8's amplifer OR an outboard amplier, but not both. Be sure to use the chart above to note which speakers
are connected to which MS-8 channels.
+
+
+
+
+
+
+
Left front
(Tweeter)
Left front
(midrange)
Left rear
(coaxial)
Not
used
Speaker output
wiring harness
Subwoofer
amplifier
Line output
#6
Not
used
Right rear
(coaxial)
Subwoofer
Right front
(midrange)
Right front
(Tweeter)
Vehicle
Speaker
System
13

Other manuals for JBL MS-8

Related product manuals