EasyManua.ls Logo

Jensen CM901MIR - Wiring Diagram

Jensen CM901MIR
25 pages
Print Icon
To Next Page IconTo Next Page
To Next Page IconTo Next Page
To Previous Page IconTo Previous Page
To Previous Page IconTo Previous Page
Loading...
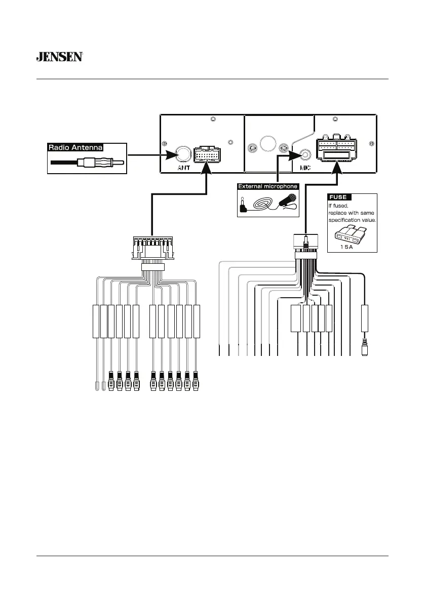
7
CM901MIR
Wiring Diagram - Inputs/Outputs
Note:
When replacing a fuse, make sure to use the correct type and amperage. Using an incorrect fuse could cause
damage. The unit uses (1) 15 amp ATC mini style fuse located on the power connector.
Wiring Notes:
Subwoofer output
The Subwoofer preamp audio output (Blue jacket with Black RCA) is active in all audio modes.
Rear camera input
A rear view camera (not included) can be used with the Camera input.
GRAY
BLACK
18PIN
BLUE
BLUE
RED
WHITE
RED
WHITE
YELLOW
RED
YELLOW
WHITE
GND
CAMERA12V
AVINR
AVINL
VIDEOIN
CAMERAIN
LINEOUTFRONTL
LINEOUTFRONTR
LINEOUTREARL
LINEOUTREARR
SUBWOOFER1
SUBWOOFER2
BLACK
BLACK
BLACK
BLACK
BLACK
BLACK
BLACK
BLACK
GRAY
RED
WHITE/BLACK
GRAY/BLACK
GREEN
GREEN/BLACK
VIOLET
VIOLET/BLACK
RED
BLACK
YELLOW
ORANGE
VIOLET/WHITE
BLUE
PINK
BLUE/WHITE
WHITE
GRAY
LEFT FRONT(-)
RIGHT FRONT (-)
LEFT REAR(+)
LEFT REAR (-)
RIGHT REAR(+)
RIGHT REAR(-)
CHASSIS GROUND(-)
BATTERY 12(+)
LLUMINATION(+)
REVERSE(+)
POWER ANTENNA (+)
PARKING BRAKE(-)
REMOTE TURN-ON(+)
LEFT FRONT(+)
RIGHT FRONT(+)
SWC INPUTGRAY(RED CAP)
IGNITION / 12V(+)
IGNITION /
ACC 12V(+)
GROUND(-)
BATTERY(+)
ILLUMINATION
REVERSE(+)
20PIN
SWCIN

Related product manuals