EasyManua.ls Logo

JLG 26MRT - LIFT CYLINDER REPAIR - DISASSEMBLY

JLG 26MRT
62 pages
Print Icon
To Next Page IconTo Next Page
To Next Page IconTo Next Page
To Previous Page IconTo Previous Page
To Previous Page IconTo Previous Page
Loading...
SECTION 2 - PROCEDURES
2-6 – JLG Sizzor – 3120791
3. If applicable, remove the cartridge-type holding
valve and fittings from the cylinder port block. Dis-
card o-rings.
4. Place the cylinder barrel into a suitable holding fix-
ture.
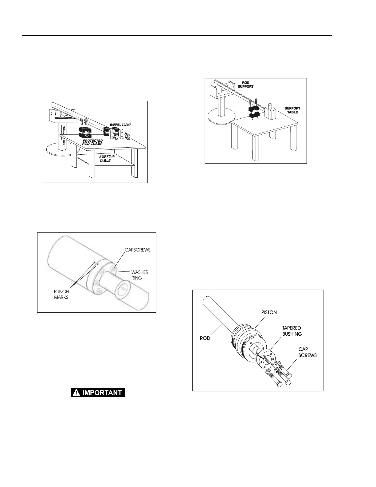
5. To aid in realignment, mark cylinder head and barrel
with a center punch. Using an allen wrench, loosen
the eight (8) cylinder head retainer cap screws and
remove cap screws from cylinder barrel.
6. If applicable, using a suitable spanner wrench,
loosen the spanner nut retainer and remove the
spanner nut from the cylinder barrel.
7. Attach a suitable pulling device to the cylinder rod
port block or cylinder rod end, as applicable.
EXTREME CARE SHOULD BE TAKEN WHEN REMOVING THE CYL-
INDER ROD, HEAD, AND PISTON. AVOID PULLING THE ROD OFF-
CENTER, WHICH COULD CAUSE DAMAGE TO THE PISTON AND
CYLINDER BARREL SURFACES.
8. With the barrel clamped securely, apply pressure to
the rod pulling device and carefully withdraw the
complete rod assembly from the cylinder barrel.
9. Using suitable protection, clamp the cylinder rod in
a vise or similar holding fixture as close to the piston
as possible.
10. If applicable, loosen and remove the nut which
attaches the piston to the rod, then remove the pis-
ton from the rod.
11. If applicable, loosen and remove the cap screw(s)
securing the tapered bushing to the piston.
12. Insert the capscrew(s) in the threaded holes in the
outer piece of the tapered bushing. Progressively
tighten the cap screw(s) until the bushing is loose
on the piston, then remove the bushing from the pis-
ton.
13. Screw the piston counter-clockwise, by hand, and
remove the piston from the cylinder rod.
14. Remove and discard the piston o-rings, back-up
rings, guidelock rings and hydrolock seals.
Figure 2-1. Barrel Support
Figure 2-2. Cap Screw Removal
Figure 2-3. Rod Support
Figure 2-4. Tapered Bushing Removal

Table of Contents

Related product manuals