EasyManua.ls Logo

JLG 26MRT - Electrical Schematic - Yanmar (Sheet of 2 of 2)

JLG 26MRT
62 pages
Print Icon
To Next Page IconTo Next Page
To Next Page IconTo Next Page
To Previous Page IconTo Previous Page
To Previous Page IconTo Previous Page
Loading...
SECTION 3 - TROUBLESHOOTING
3120791 – JLG Sizzor – 3-11
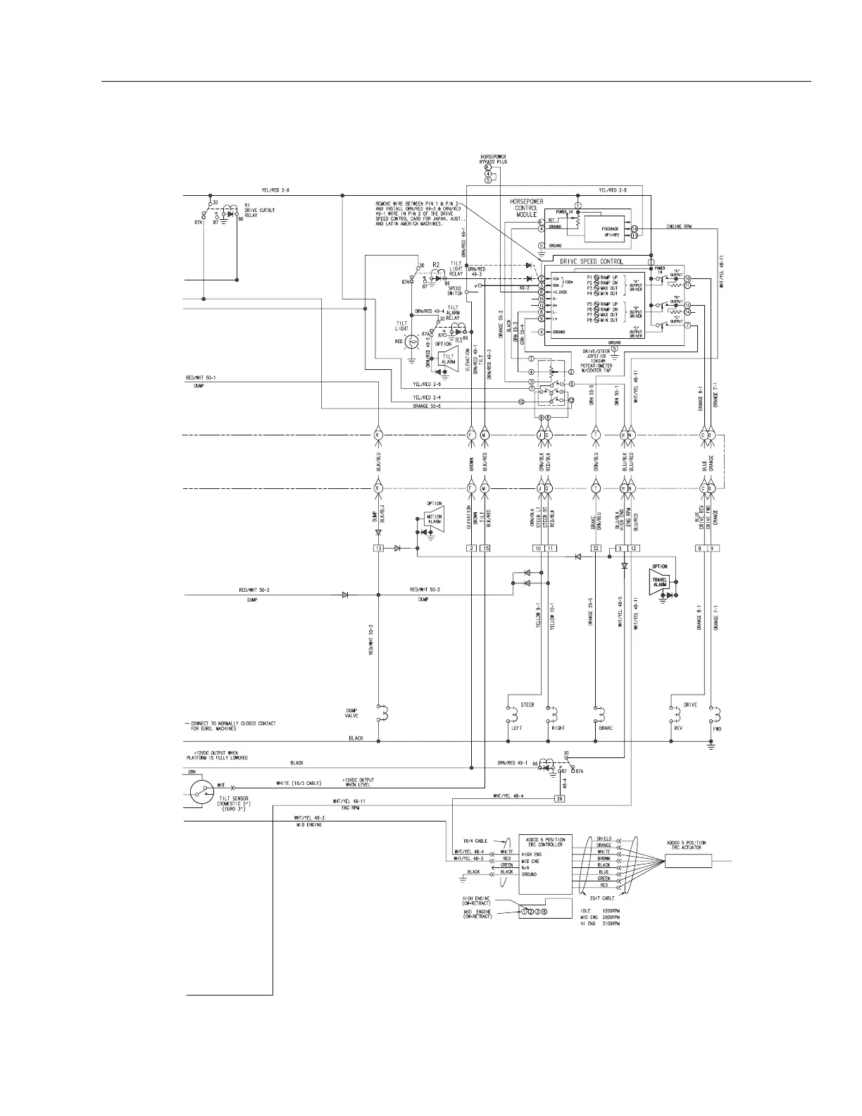
Figure 3-2. Electrical Schematic - Yanmar (Sheet of 2 of 2)
1870102 C

Table of Contents

Related product manuals