EasyManua.ls Logo

JLG 26MRT - DAIHATSU ELECTRICAL SCHEMATICS

JLG 26MRT
62 pages
Print Icon
To Next Page IconTo Next Page
To Next Page IconTo Next Page
To Previous Page IconTo Previous Page
To Previous Page IconTo Previous Page
Loading...
SECTION 3 - TROUBLESHOOTING
3-12 – JLG Sizzor – 3120791
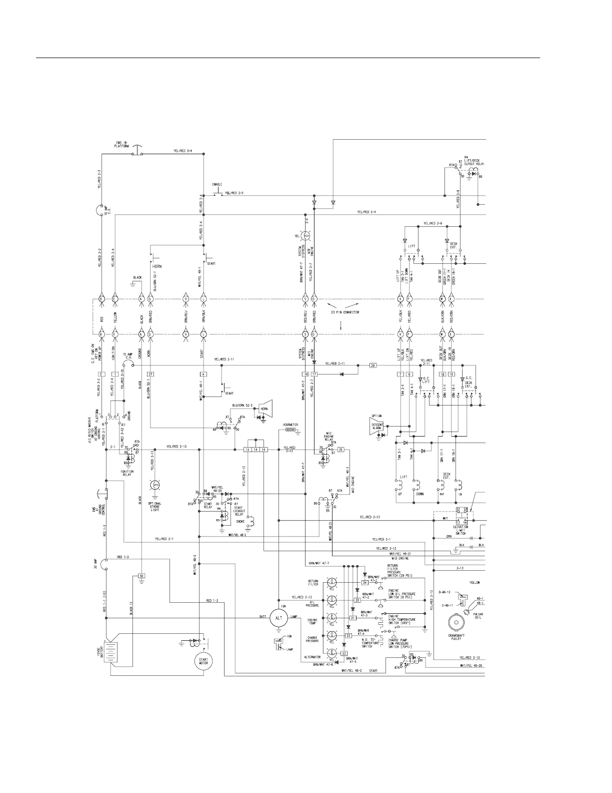
Figure 3-3. Electrical Schematic - Daihatsu (Sheet 1 of 2)

Table of Contents

Related product manuals