EasyManua.ls Logo

JLG RT2669 - Page 109

JLG RT2669
128 pages
Print Icon
To Next Page IconTo Next Page
To Next Page IconTo Next Page
To Previous Page IconTo Previous Page
To Previous Page IconTo Previous Page
Loading...
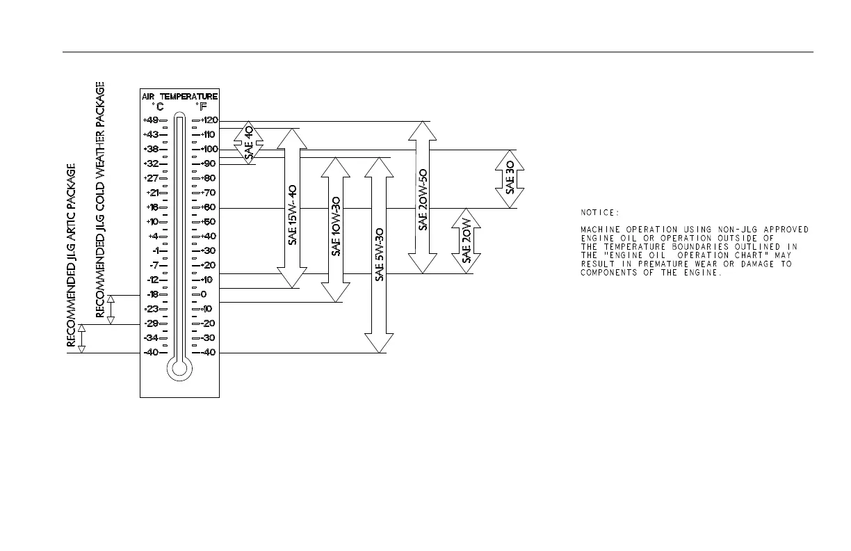
SECTION 6 - GENERAL SPECIFICATIONS AND OPERATOR MAINTENANCE
31217162 6-13
RT2669, RT3669 - Diesel Fuel
1001120075_C

Table of Contents

Other manuals for JLG RT2669

Related product manuals