EasyManua.ls Logo

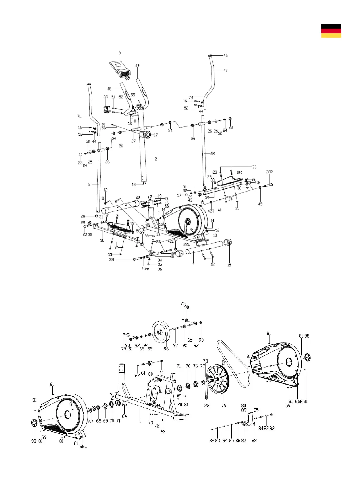
JLL CT200 - Explosionszeichnung

JLL CT200
68 pages
Print Icon
To Next Page IconTo Next Page
To Next Page IconTo Next Page
To Previous Page IconTo Previous Page
To Previous Page IconTo Previous Page
Loading...
49
EXPLOSIONSZEICHNUNG

Table of Contents

Related product manuals