EasyManua.ls Logo

Johnson Controls YORK - Unit Dimensions

Johnson Controls YORK
60 pages
Print Icon
To Next Page IconTo Next Page
To Next Page IconTo Next Page
To Previous Page IconTo Previous Page
To Previous Page IconTo Previous Page
Loading...
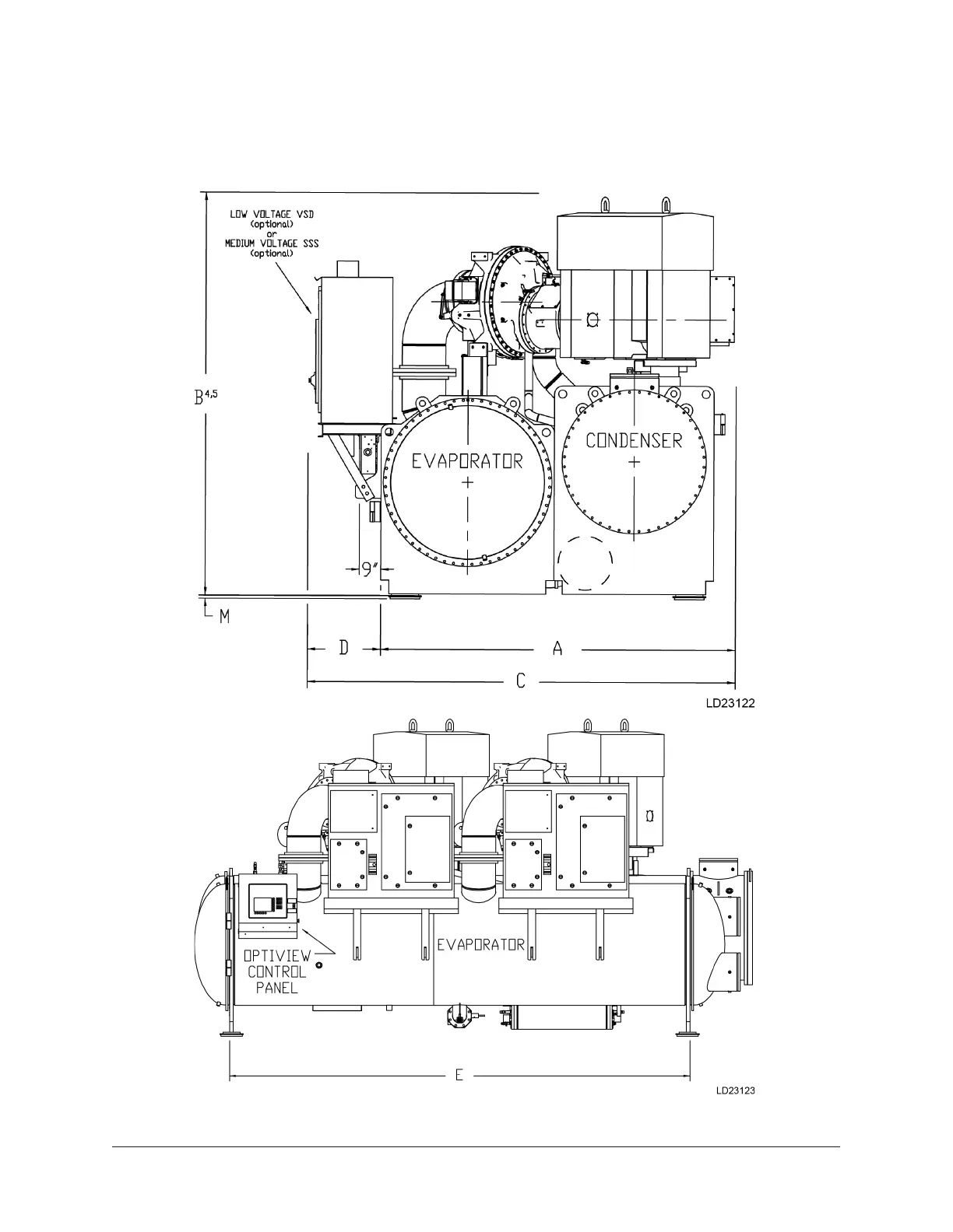
Unit dimensions
See Table 1 for specific dimensions based on Evaporator-Condensor shell combinations.
Figure 7: Dimensions - K compressor units ft.–in. (mm)
Centrifugal Liquid Chillers18

Related product manuals