EasyManua.ls Logo

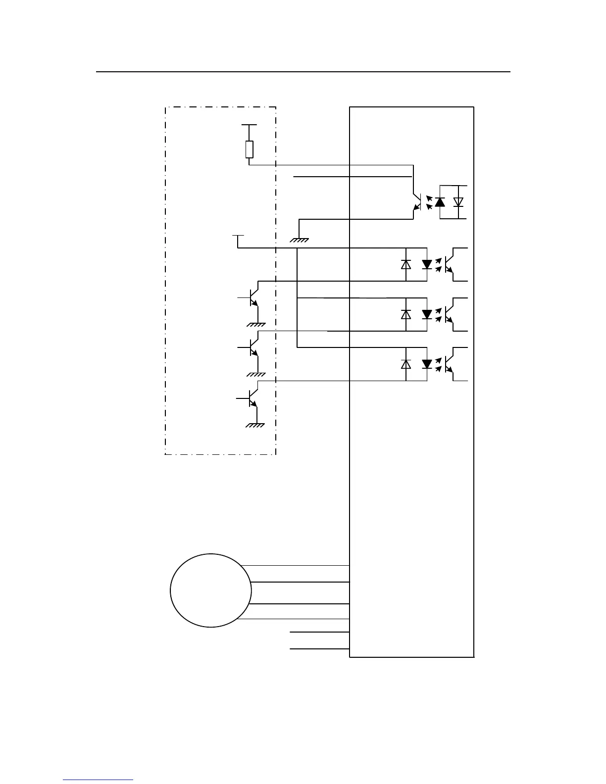
Just Motion Control 2DM556 - Typical Connection Diagram

Just Motion Control 2DM556
24 pages
Print Icon
To Next Page IconTo Next Page
To Next Page IconTo Next Page
To Previous Page IconTo Previous Page
To Previous Page IconTo Previous Page
Loading...
Shenzhen Just Motion Control Electro-mechanics Co., Ltd 0755-26509689
- 18 -
M
2DM556
Drive
Controller
Pulse
Signal
Direction
Signal
Enable
Signal
VCC
PUL+
PUL-
DIR+
DIR-
ENA+
ENA-
Red
Blue
Grenn
Black
A+
A-
B+
B-
VDC
24~60V
AC1
AC2
ALM+
ALM-
VCC
R