EasyManua.ls Logo

JVC DDX5707S - Connection;Installation: Device Connections; Connecting Smartphones; Speaker and Control Wiring

JVC DDX5707S
75 pages
Print Icon
To Next Page IconTo Next Page
To Next Page IconTo Next Page
To Previous Page IconTo Previous Page
To Previous Page IconTo Previous Page
Loading...
Connection/Installation
60
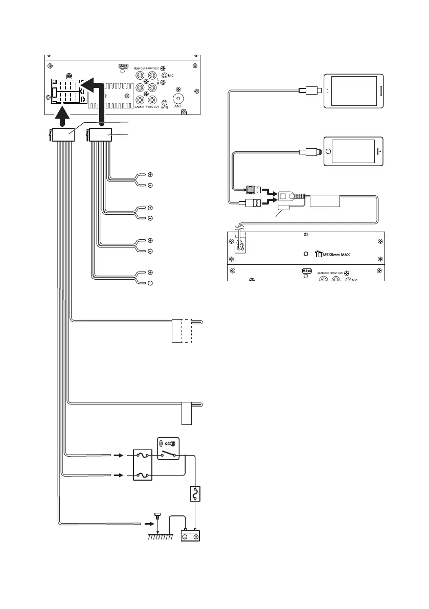
Ñ Connecting an iPhone/Android
5V
=
1.5A
KCA-iP103 (0.8m)
[3]
USB cable
[2]
iPhone
[2]
Lightning connector
Android smartphone
[2]
Cap
USB terminal
[1]
(1.0 m)
[1]
USB maximum power supply current :
DC 5 V = 1.5 A
[2]
Sold separately
[3]
Optional accessory
2 4 6 8
1 3 5 7
2 4 6 8
1 3 5 7
P.CONT
ANT.CONTILLUMI
Accessory 8
Accessory 7
Blue
(Power control/ Antenna control wire)
Connect either to the power
control terminal when using
the optional power amplifier,
or to the power terminal for the booster
amplifier of the film-type or short pole type
antenna.
(Max. 150mA, 12V)
White/Black
Gray/Black
Green/Black
Purple/Black
To car light control switch
Speaker impedance: 4-8 Ω
Purple
Green
Gray
White
To front left
speaker
To front right
speaker
To rear left
speaker
To rear right
speaker
Red (Ignition wire)
Black (Ground wire) ¤
(To car chassis)
Yellow (Battery wire)
Orange/ White (Dimmer control wire)
Ignition key switch
Car fuse box
Battery

Table of Contents

Related product manuals