EasyManua.ls Logo

JVC DLA-X35BE - WIRING DIAGRAM (DLA-X75;DLA-XC7800;DLA-X95;DLA-XC9800)

JVC DLA-X35BE
42 pages
Print Icon
To Previous Page IconTo Previous Page
To Previous Page IconTo Previous Page
Loading...
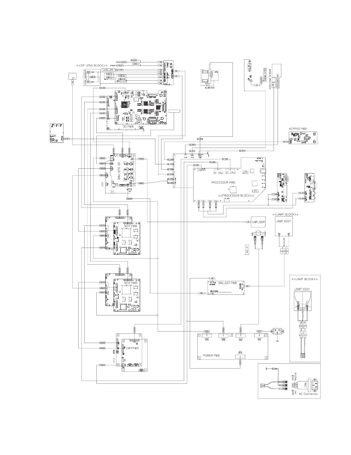
<DLA-X75/DLA-XC7800/DLA-X95/DLA-XC9800>
WIRING DIAGRAM
LAMPCOVER PWB
TEMP SENSOR PWB
MOTOR PWB
WB DEVICE
TERMINAL-2 PWB
TERMINAL-1 PWB
SOLENOID PWB
LED&IR PWB
G DEVICE H/S
created date:2012-10-29No.PA045
(No.PA045<Rev.001>)5/
5

Related product manuals