EasyManua.ls Logo

Kampmann Katherm HK - Verlegepläne Katherm HK Elektromechanisch 24 V De.pdf

Kampmann Katherm HK
84 pages
Print Icon
To Next Page IconTo Next Page
To Next Page IconTo Next Page
To Previous Page IconTo Previous Page
To Previous Page IconTo Previous Page
Loading...
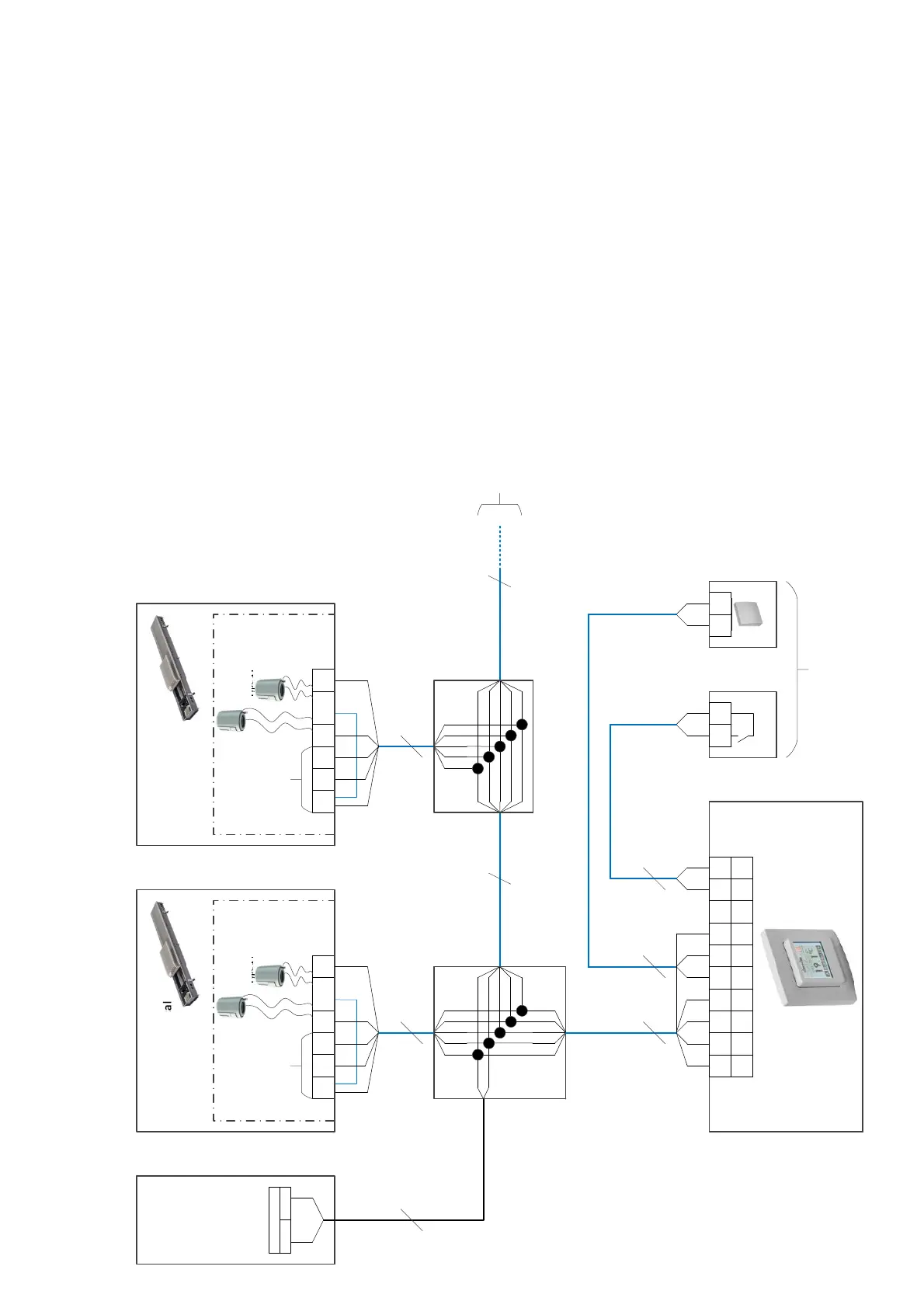
Katherm HK , electromechanical 24 V, 2- or 4-pipe , valve actuator(s) 24 V AC/DC Open/Closed, Control by clock
thermostat type 30456
2
1
5
Fan connection
24 V UC GND VH GND VK
GND24 V
Mains 24 V DC
1
2
Nominal voltage
24 V DC
Fuse by others.
Refer to “Electrical data”
information table.
3
4
Katherm HK
24 V electromechanical
model (*24)
Unit no. 1
1
2
3
1
2
5
4
1
2
Contact
e.g. heating/cooling
1 2
Room sensor
1
2
1
2
COMNO
2*2*5*
- Options -
See clock thermostat instructions
for further information
Clock thermostat
Type 30456
GNDQ3GND Q1 Q2 I1 GND I2 GND24 V
W8
W7
W6
1
2
3
4
5
1
2
3
4
5
5*
W3
5*
W2
Jumper
ZKK
To further units
(Max. number see Information)
5*
W5
1
2
3
4
5
1
2
3
4
5
1
2
3
4
5
ZKK
1
2
3
4
5
1
2
2*
W1
5*
W4
Actuator
Heating/
cooling
Type 146906
-Optional-
Actuator
Cooling
Type 146906
2
1
5
3
4
Jumper
Nominal voltage
24 V DC
+ control
0-10 V DC
GNDQ3GND Q1 Q2 I1 GND I2 GND24 V
Fan connection
24 V UC GND VH GND VK
Actuator
Heating/
cooling
Type 146906
-Optional-
Actuator
Cooling
Type 146906
Nominal voltage
24 V DC
+ control
0-10 V DC
Katherm HK
24 V electromechanical
model (*24)
Unit no. 2

Table of Contents

Other manuals for Kampmann Katherm HK

Related product manuals