EasyManua.ls Logo

Keithley 2290-5 - Page 44

Keithley 2290-5
58 pages
Print Icon
To Next Page IconTo Next Page
To Next Page IconTo Next Page
To Previous Page IconTo Previous Page
To Previous Page IconTo Previous Page
Loading...
Model 2290
-5 5 kV Power Supply User's Manual Section 7:
Typical applications
2290-5-900-01 Rev. A/December 2013 7-5
Device connections:
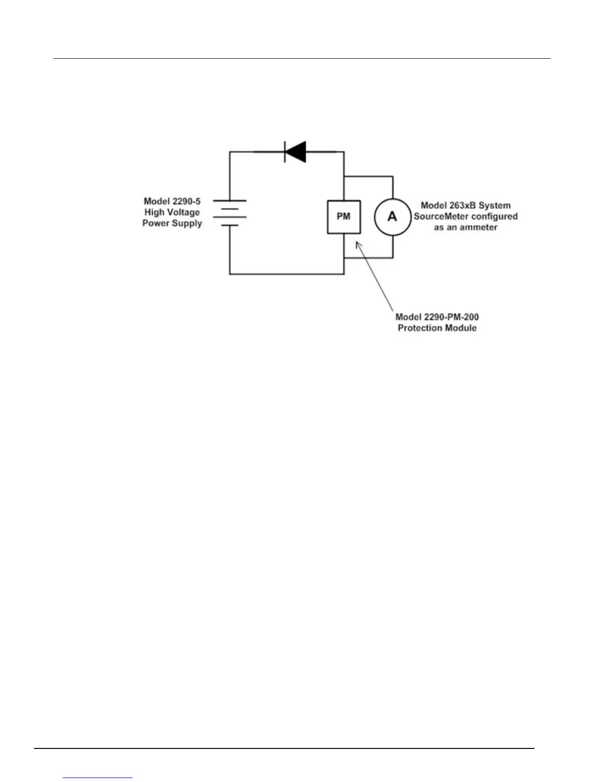
In the next figure is a simple circuit schematic of the test performed in this example:
Figure 14: Model 2290-5 reverse-biased diode with SourceMeter

Table of Contents

Related product manuals