EasyManua.ls Logo

Keithley 2290-5 - Page 45

Keithley 2290-5
58 pages
Print Icon
To Next Page IconTo Next Page
To Next Page IconTo Next Page
To Previous Page IconTo Previous Page
To Previous Page IconTo Previous Page
Loading...
Section
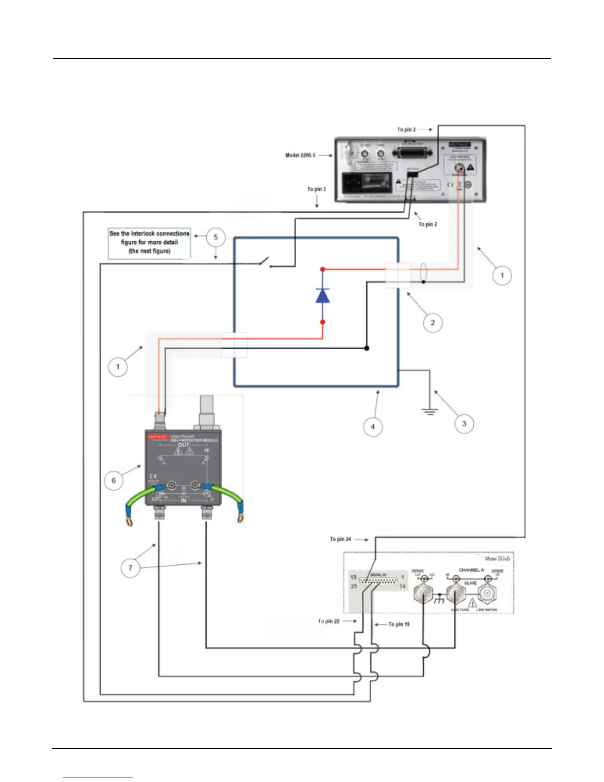
7: Typical applications Model 2290-5 5 kV Power Supply
User's Manual
7-6 2290-5-900-01 Rev. A/December 2013
The next figures detail how these connections should be made in a safe test enclosure.
Figure 15: Model 2290-5 reverse-biased diode connections with SourceMeter

Table of Contents

Related product manuals