EasyManua.ls Logo

Kelley HK - Hydraulic Diagram; Hydraulic System Overview

Kelley HK
64 pages
Print Icon
To Next Page IconTo Next Page
To Next Page IconTo Next Page
To Previous Page IconTo Previous Page
To Previous Page IconTo Previous Page
Loading...
©2009 4Front Engineered Solutions, Inc.
38 6004754F — HK and HK-S Hydraulic Dock Leveler, 3 Button — SafeTFrame
January 2009
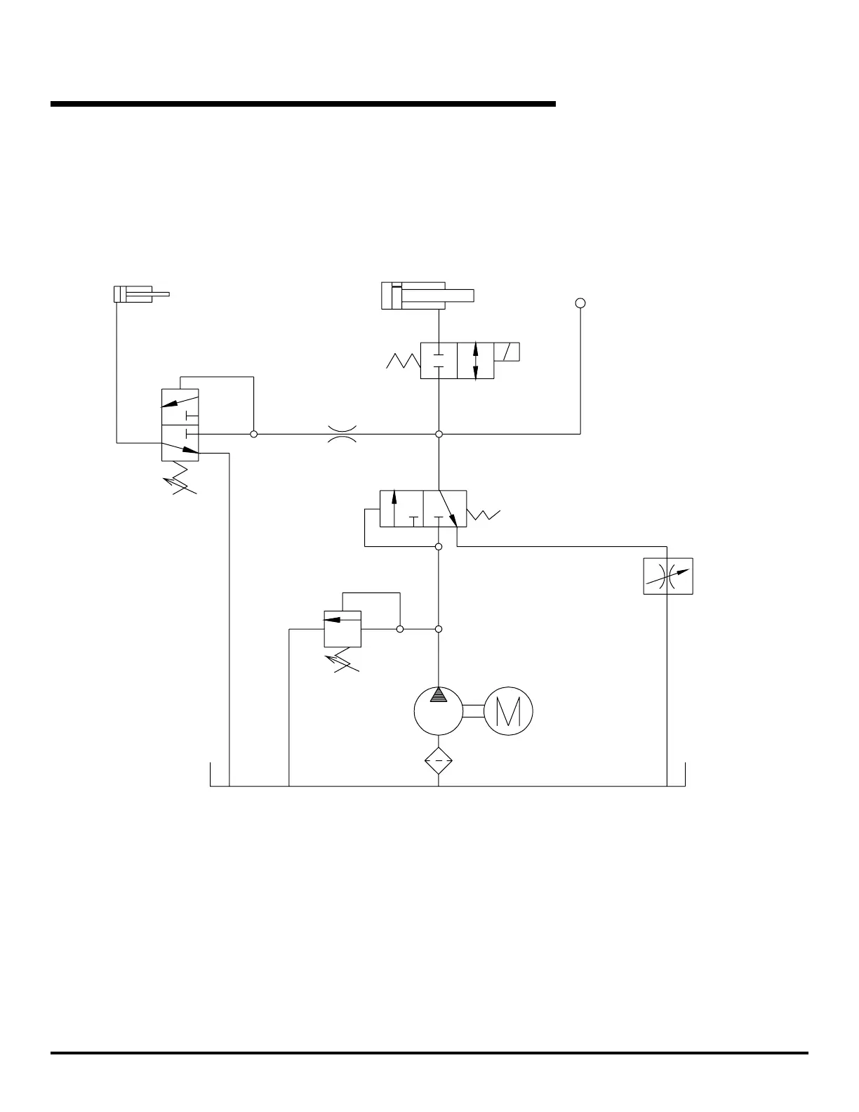
HYDRAULIC DIAGRAM
Ramp cylinder
100 mesh
Needle
valve
Fixed
shuttle
valve
1650 PSIG
relief
valve
Lip cylinder
Gage
.052
dia.
1350 ± 25 PSIG
120 PSIG
sequence
valve
Fig. 45

Related product manuals