EasyManua.ls Logo

Kinco CD622S - Page 57

Kinco CD622S
111 pages
Print Icon
To Next Page IconTo Next Page
To Next Page IconTo Next Page
To Previous Page IconTo Previous Page
To Previous Page IconTo Previous Page
Loading...
57
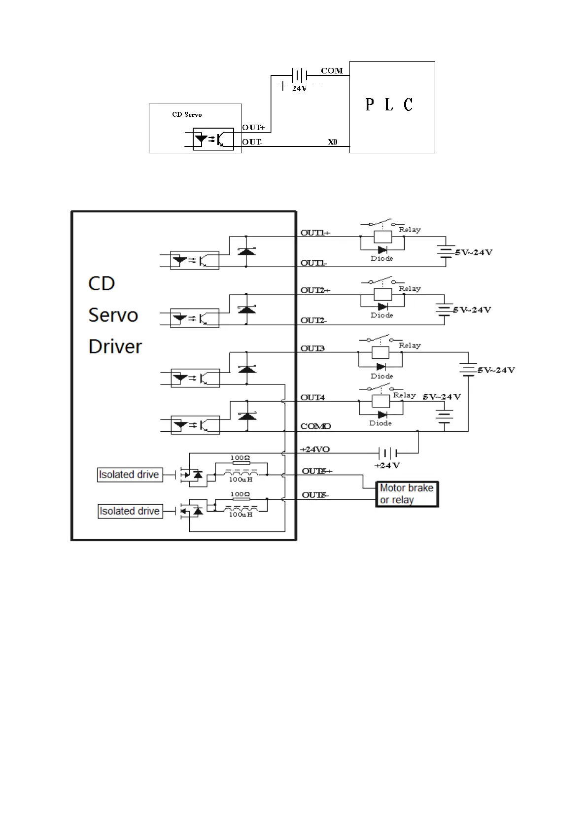
Fig. 6-6 PNP wiring diagram (to controllers that support valid low level input)
4. To connect a relay to the digital output port, do remember to connect a diode in inverse parallel, as
shown in Fig. 6-7.
Fig. 6-7 Connect a relay to the digital output port (Reverse parallel connect diode)
Note: When OUT3 and OUT4 are used, COM0 must be connected.
When ports, BR+/BR-, are used, two ports, 24VB and COMB, must connect with external input.

Table of Contents

Related product manuals