EasyManua.ls Logo

Kohler ECV940 - Page 35

Kohler ECV940
172 pages
Print Icon
To Next Page IconTo Next Page
To Next Page IconTo Next Page
To Previous Page IconTo Previous Page
To Previous Page IconTo Previous Page
Loading...
3562 690 05 Rev. H KohlerEngines.com
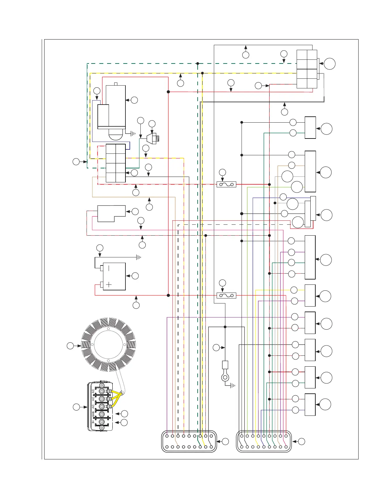
EFI SYSTEM-ELECTRONIC THROTTLE BODY (ETB)
ETB EFI Wiring Harness High Output Charging System
AB AB ABC DABC 1 2 312ABC 1 2
12
19
1018
19
1018
GEF
B
D
C
AB
HG
312
C
FE
A
H
4
645
E
S
Q
H
S
H
Y
Z
V
Q
G
V
D
G
W
X
R
F
AB
AD
AE AF AG
AH
AI
AJ
AK
AL
A
H
I
J
K
L
M
N
O
P
T
U
P
G
H
M
H
G
H
Y
H
S Y
G
G
K
G
G
S
AM
Q
AC
E
AB
B
C
AA