EasyManua.ls Logo

Kohler KD83V16 - Safety; Identification of Warnings and Symbols

Kohler KD83V16
300 pages
Print Icon
To Next Page IconTo Next Page
To Next Page IconTo Next Page
To Previous Page IconTo Previous Page
To Previous Page IconTo Previous Page
Loading...
Service and Repair Manual Product description
Function description
7 HT Water radiator 14 Preheating
Sensors list
15 B708 – Coolant temperature
after engine
17 S710 – HT Coolant Min level
alert
16 B718 – Coolant temperature
before cooler
18 S711 – LT Coolant Min level
alert
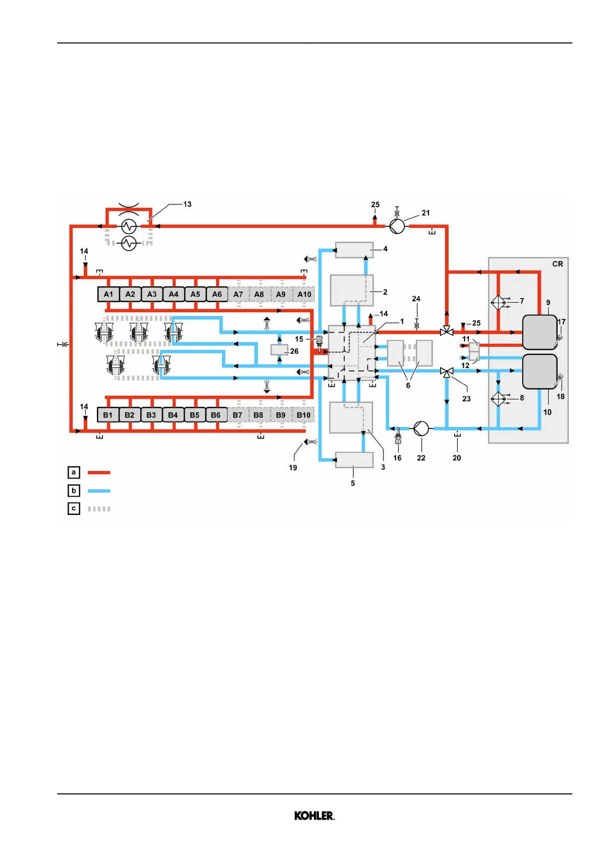
Coolant diagram (engine with EATS)
Fig. 24: Coolant diagram
a High temperature c Depending on engine config-
uration
b Low temperature CR Customer responsibility
1 Aggregate support 9 HT Expansion tank (including
ventilation line)
21 Coolant pump HT
2 Charge Air Cooler A 10 LT Expansion tank (including
ventilation line)
22 Coolant pump LT
3 Charge Air Cooler B 11 Venting HT 23 Mechanical thermostat
4 Elbow A 12 Venting LT 24 Manual venting point
5 Elbow B 13 Engine oil cooler 25 Urea defrosting
6 ECU 2-HD 14 Preheating 26 Engine Bypass flap
7 HT Water radiator 19 Venting point
8 LT Water radiator 20 Drain point
Sensors list
15 B708 – Coolant temperature
after engine
17 S710 – HT Coolant Min level
alert
16 B718 – Coolant temperature
before cooler
18 S711 – LT Coolant Min level
alert
KD83V16 33525088901_2_1 EN_US
2021-07
© 2021 by Kohler Co. All rights reserved.
33

Table of Contents

Other manuals for Kohler KD83V16

Related product manuals