EasyManua.ls Logo

Kohler KS530 - Fuel System; Smart-Choke System Operation

Kohler KS530
92 pages
Print Icon
To Next Page IconTo Next Page
To Next Page IconTo Next Page
To Previous Page IconTo Previous Page
To Previous Page IconTo Previous Page
Loading...
32
Fuel System
KohlerEngines.com 22 690 01 Rev. --
Smart-Choke
Diaphragm assembly consists of a spring controlled diaphragm for initial choke pull-off and a thermostat to completely
open choke while engine warms up. A vacuum signal from intake manifold is routed through a check valve to
diaphragm and partially opens choke once engine starts. To complete choke opening, a bimetallic spring in diaphragm
assembly heats up over a preset time once this thermostat sees 12V as activated by oil pressure switch. When
engine is cold, a spring on diaphragm, in conjunction with a bimetallic spring, will hold choke closed for starting. When
engine is warm, bimetallic spring holds choke completely open while engine is running. Choke will be 2/3 closed when
warm and not running, allowing for partial choke on a hot restart. These two elements work together to operate a
smooth choke system that facilitates easy reliable starting in all conditions.
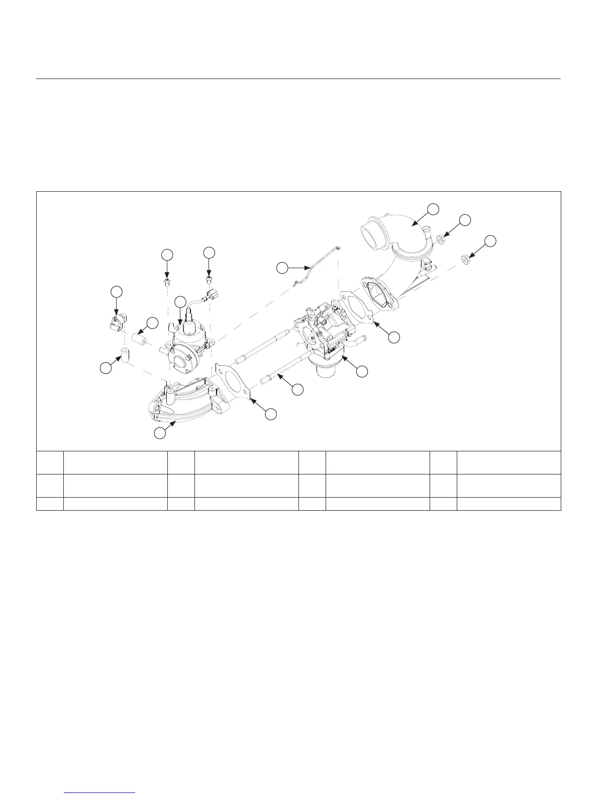
Smart-Choke
Components
E
K
C
A
B
L
B
C
G
D
F
K
H
I
J
A
Check Valve
Assembly
B Vacuum Hose C K40 x 1.79 Screw D Diaphragm Assembly
E Choke Linkage F Intake Manifold G
Intake Manifold
Gasket
H
Carburetor Gasket
(Throttle)
I Carburetor Assembly J Carburetor Gasket K Carburetor Nut L Intake Adapter

Table of Contents

Related product manuals