EasyManua.ls Logo

Kold-Draft GB564LC - WATER PLATE REPLACEMENT

Default Icon
85 pages
Print Icon
To Next Page IconTo Next Page
To Next Page IconTo Next Page
To Previous Page IconTo Previous Page
To Previous Page IconTo Previous Page
Loading...
new 60 Series Service Manual.rev. 06.01.16.docx - 37
WATER PLATE REPLACEMENT
1. Turn off water and open plate until cams are in the 9:00 position then turn off the power.
2. Remove the control stream drain hose.
3. Remove water level probe assembly by sliding it to the right beyond the control stream box
and lift. Disconnect tube assembly from main tank.
4. Remove the pump mounting screw holding the water plate brace, the inlet, and outlet hoses
from the pump.
5. Pry plastic hinge brackets away from the plate.
6. Unhook the main springs from the water plate.
7. Remove the screws that mount the control module box. Pull the module forward to disconnect
front cam.
8. Slide the water plate and tank to the right without turning and slide it forward out of the
machine.
9. Remove the spring bosses, water plate brace, water
deflector, pressure pads and the four screws
holding the tank to the water plate. Remove plastic
bolt from shoulder on water plate and place in new
plate.
10. Attach the tank to new water plate with two #6
mach. screws on the left side and two #10 sheet
metal screws on the front and back.
Note: The speed nuts on the front and back holes
are no longer required.
11. With the open end of the water plate to the right,
slide it back into the machine and to the left of its
normal position.
12. Hook up the main springs to the water plate, rear
spring first.
13. Hook on and snap into place the plastic hinge
brackets
14. Secure the pump mounting screw holding the water
plate brace.
15. Remove the water level probe assembly and
reposition the control stream drain tube. Position
and secure the control module box to mounting
bracket. Check adjustment of plastic lift bolt.
Reconnect harvest switch, if present.
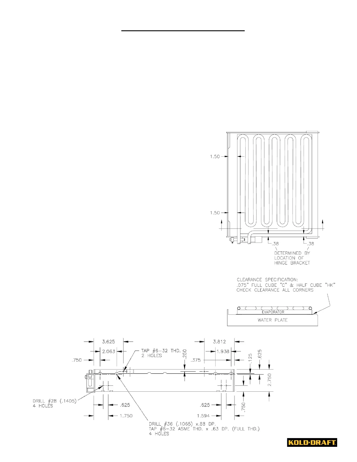
16. Water plate must be aligned with the evaporator per
drawing illustration.

Table of Contents

Related product manuals