EasyManua.ls Logo

Kold-Draft GT361AC - GT36 x, GT56 x, GB56 x Wiring Diagram; Compressor Wiring Diagrams

Default Icon
85 pages
Print Icon
To Next Page IconTo Next Page
To Next Page IconTo Next Page
To Previous Page IconTo Previous Page
To Previous Page IconTo Previous Page
Loading...
30
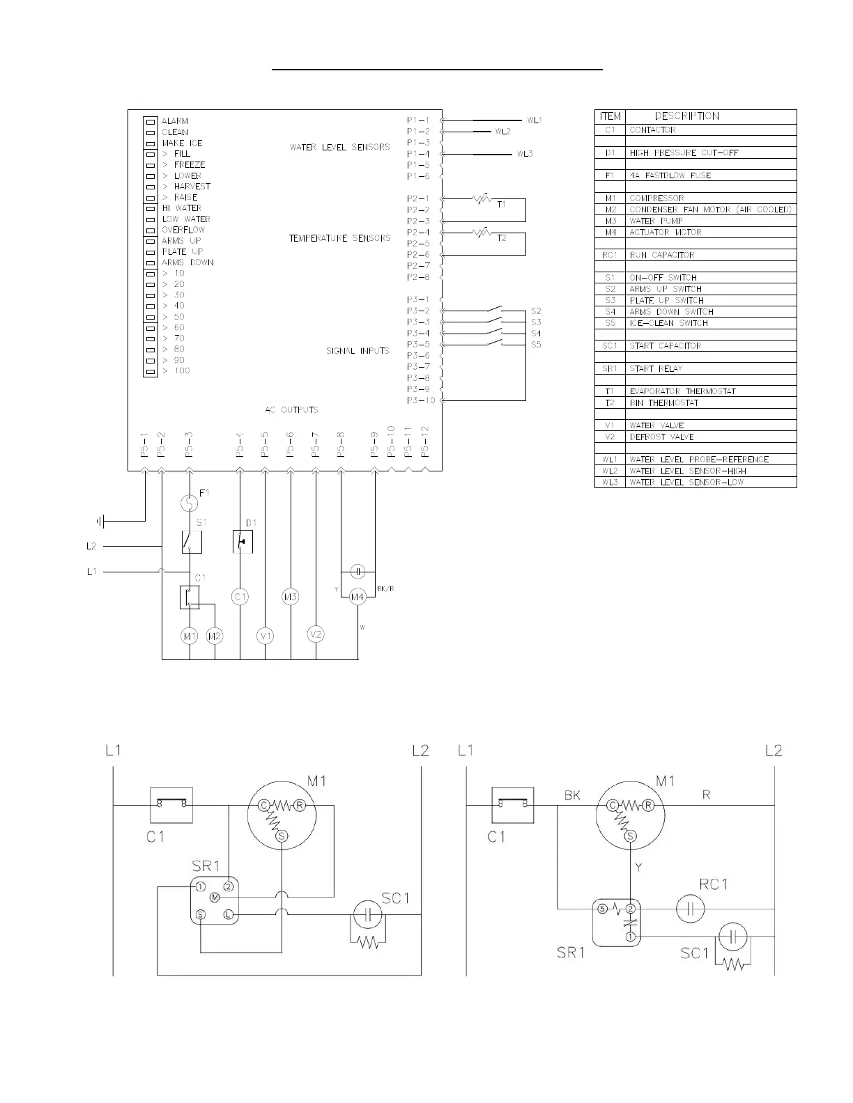
GT36X, GT56X, GB56X WIRING DIAGRAM
Compressor Wiring
GT361 Models Only
GT36x, GT56x, GB56x

Table of Contents

Related product manuals