EasyManua.ls Logo

Kold-Draft GT361AC - Electrical Information; Removing from Service

Default Icon
85 pages
Print Icon
To Previous Page IconTo Previous Page
To Previous Page IconTo Previous Page
Loading...
80
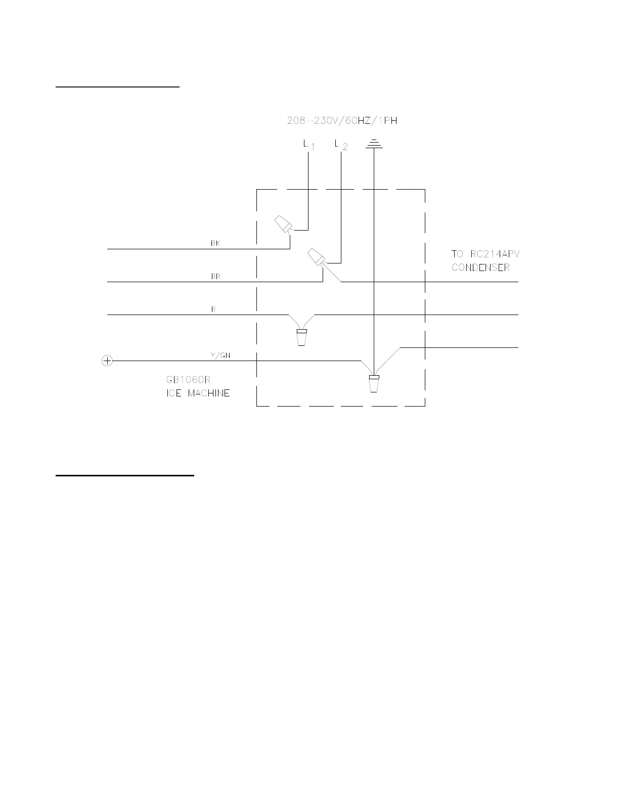
Electrical Information
Removing From Service
When the ice maker is determined to be no longer useable please be sure that it is rendered safe
for storage or disposal. All applicable recycling measures should be exercised to avoid injury and
harm to the environment.
The manufacturer and/or seller is not responsible for any harm to people, animals, property, and
the environment caused by incorrect installation and/or disposal.
-END OF DOCUMENT-

Table of Contents

Related product manuals