EasyManua.ls Logo

Konica Minolta CA-100Plus - Performing White Calibration

Konica Minolta CA-100Plus
125 pages
Print Icon
To Next Page IconTo Next Page
To Next Page IconTo Next Page
To Previous Page IconTo Previous Page
To Previous Page IconTo Previous Page
Loading...
51
Settings Section
2. Performing White Calibration
User calibration cannot be performed with the memory channel CH00.
(CH00 memory channel is provided for measurement that uses the Konica Minolta’s calibration standard.)
White calibration must be performed for each display type (model).
Characters of displays vary with the display type (model). Because of this, measured values differ even if the
same color is measured. Thus, a different memory channel must be used for each display type (model) to
perform white calibration.
If white calibration is performed with a memory channel to which the target color has already been set, that
target color will be deleted.
If white calibration is performed with a memory channel which has already been matrix-calibrated, the correc-
tion factor of the previous matrix calibration will be deleted and the correction factor obtained from the white
calibration will be set.
[Operating Procedure]
When the optional 4-Probe Expansion Board CA-B04 is used
Select the probe no. to be white-calibrated. White calibration can be performed independently for each probe
connector ([P1] to [P5]) for each memory channel.
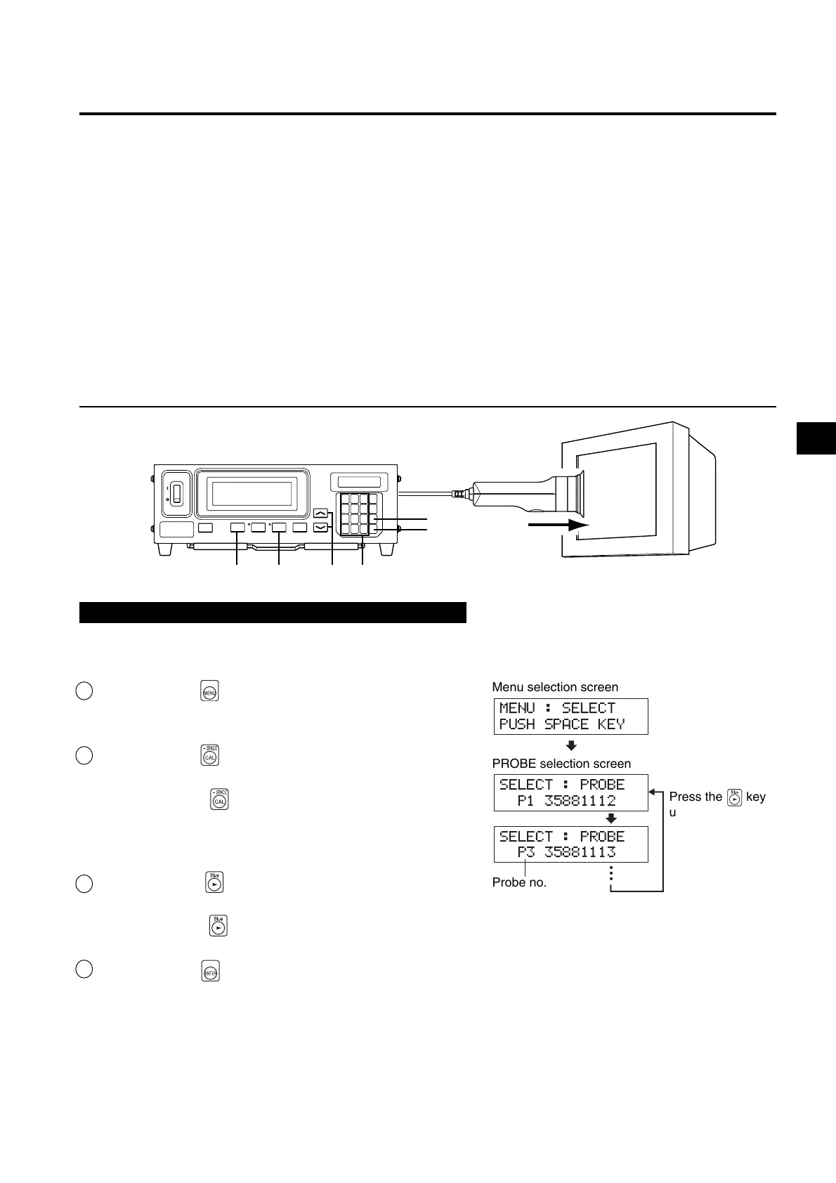
1 Press the key.
The LCD display section will switch to the menu selec-
tion screen.
2Press the key to open the PROBE selec-
tion screen.
Each time the key is pressed, the screen will switch
in the order PROBE SYNC ID Name input
RANGE Measurement Speed Number of Digits
RS232C Baud Rate PROBE.
3 Press the key to display the probe no.
you want to select.
Each time the key is pressed, the probe no. switches
in the order [P1]
.
4Press the key to confirm the selection.
* By default (factory setting), the instrument is set so that [P1] will be selected automatically when the POWER switch is set to ON. If you
want to change this setting, refer to page 30.
3
1 4,10 6,72
5
8,9
MENU : SELECT
PUSH SPACE KEY
SELECT : PROBE
P1 35881112
SELECT : PROBE
P3 35881113
Menu selection screen
PROBE selection screen
Probe no.
Press the
key
until the desired
probe no. appears.

Table of Contents

Related product manuals