EasyManua.ls Logo

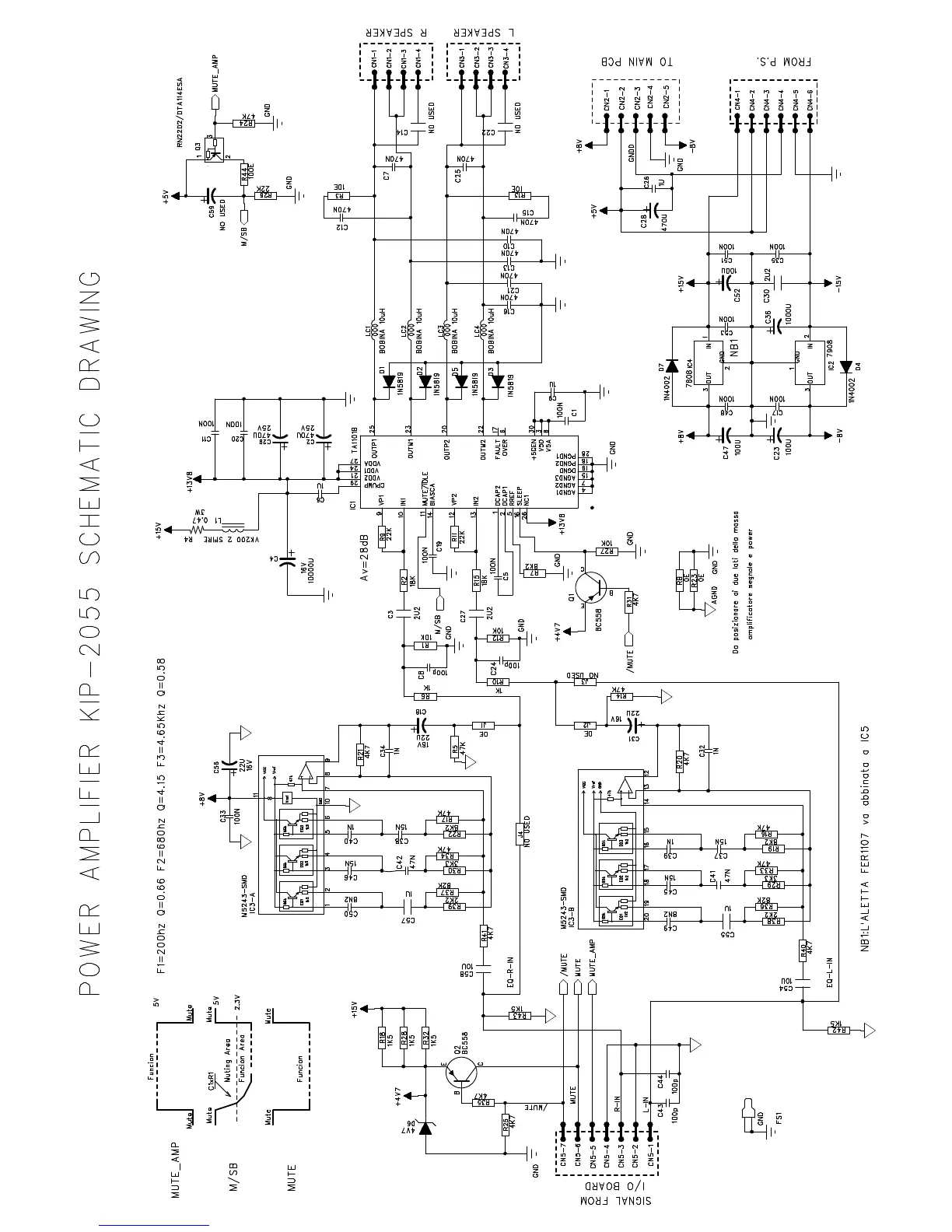
Korg PA60 - Power Amplifier KIP-2055 Schematic Diagram

Korg PA60
37 pages
To Next Page IconTo Next Page
To Next Page IconTo Next Page
To Previous Page IconTo Previous Page
To Previous Page IconTo Previous Page
Loading...

Other manuals for Korg PA60

Related product manuals