EasyManua.ls Logo

Krendl 1300 - Page 32

Krendl 1300
53 pages
Print Icon
To Next Page IconTo Next Page
To Next Page IconTo Next Page
To Previous Page IconTo Previous Page
To Previous Page IconTo Previous Page
Loading...
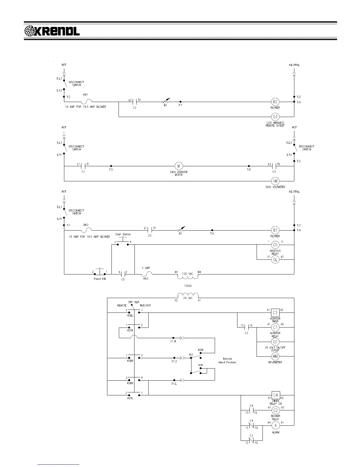
Rev. Date: 12/27/17 Page 29
MODEL #1300/2300
MODEL #1300/2300
2 BLOWER PANEL BOX
240 VOLT 60 HZ
30 AMP SINGLE INPUT