EasyManua.ls Logo

Krendl 1300 - Ladder Diagrams

Krendl 1300
53 pages
Print Icon
To Next Page IconTo Next Page
To Next Page IconTo Next Page
To Previous Page IconTo Previous Page
To Previous Page IconTo Previous Page
Loading...
Rev. Date: 12/27/17 Page 28
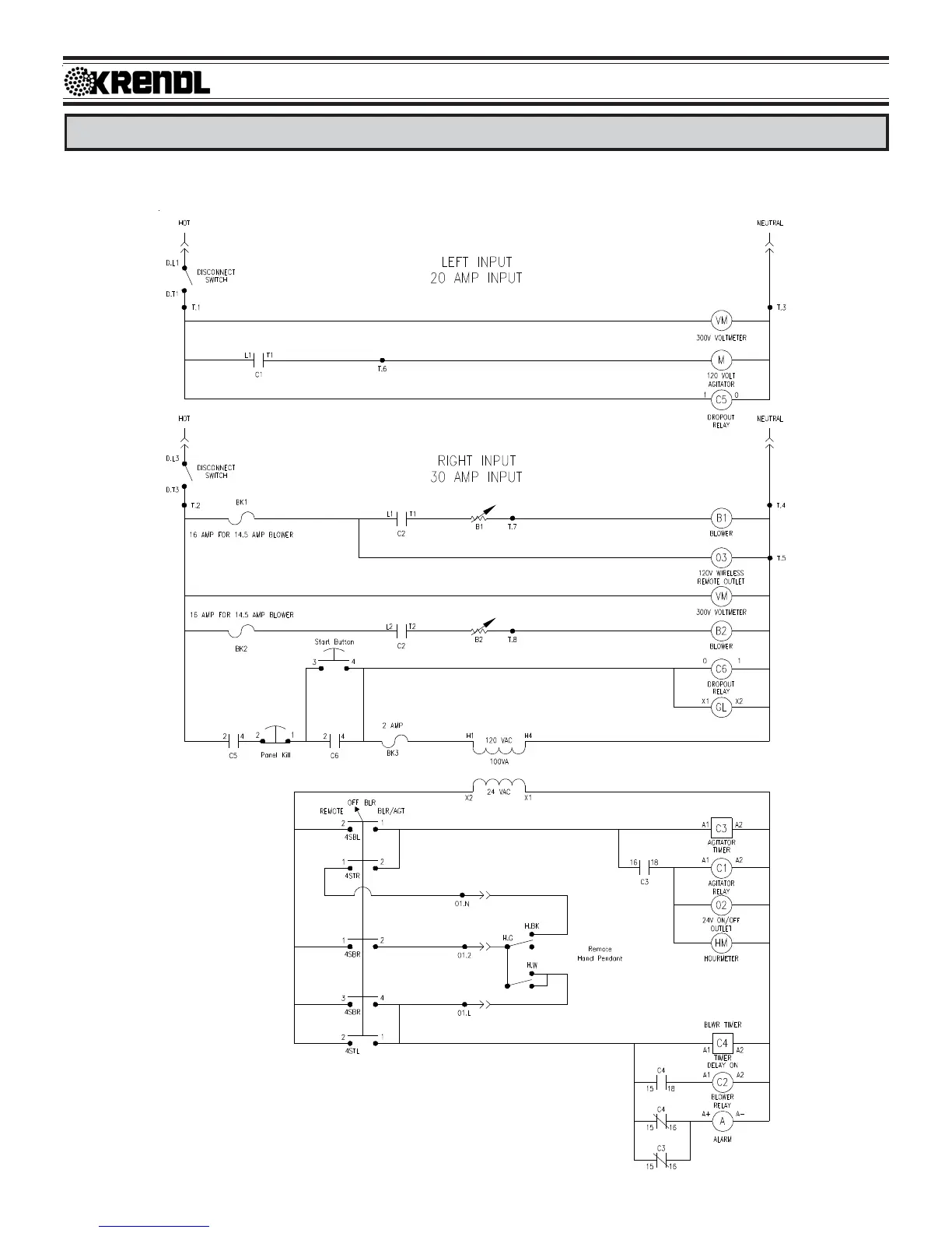
MODEL #1300/2300
LADDER DIAGRAMS
MODEL #1300/2300
2 BLOWER PANEL BOX
120 VOLT 60 HZ DOUBLE INPUT