EasyManua.ls Logo

Krendl 1300 - Page 34

Krendl 1300
53 pages
Print Icon
To Next Page IconTo Next Page
To Next Page IconTo Next Page
To Previous Page IconTo Previous Page
To Previous Page IconTo Previous Page
Loading...
Rev. Date: 12/27/17 Page 31
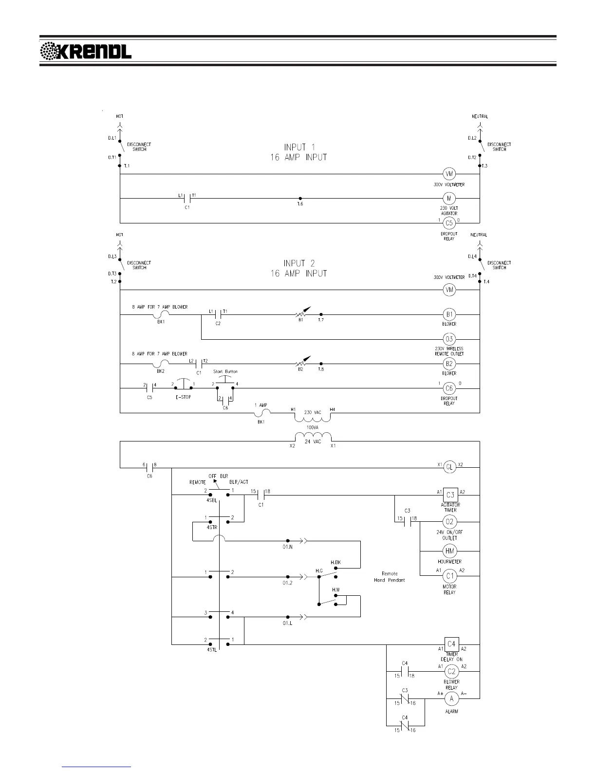
MODEL #1300/2300
MODEL #1300/2300
2 BLOWER PANEL BOX
230 VOLT 50 HZ
15 AMP DOUBLE INPUT