EasyManua.ls Logo

Kubota KX080-4S2 - Appendices; Main Dimensions

Kubota KX080-4S2
144 pages
Print Icon
To Next Page IconTo Next Page
To Next Page IconTo Next Page
To Previous Page IconTo Previous Page
To Previous Page IconTo Previous Page
Loading...
105APPENDICES
APPENDICES
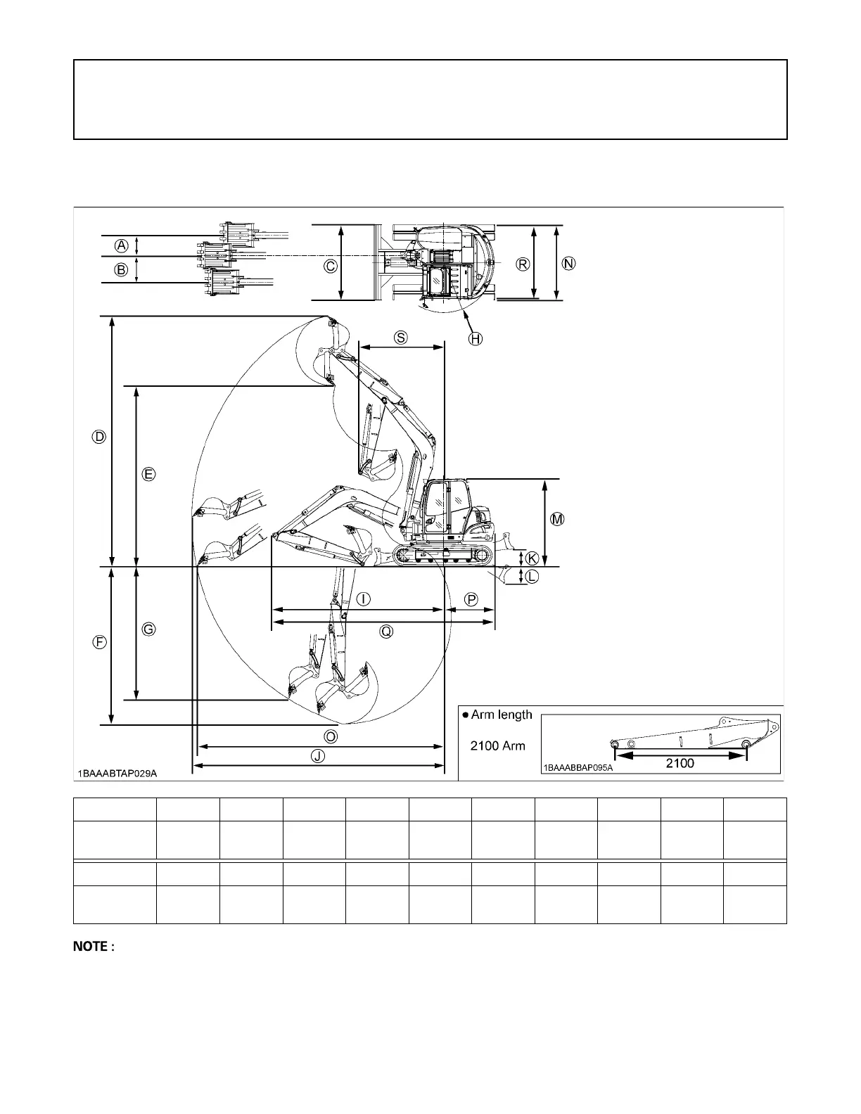
MAIN DIMENSIONS
A Above dimensions are based on the machine with KUBOTA original bucket.
A Above dimensions are based on the machine with rubber track.
A Specifications subject to change without notice.
mm (in.)
(A) (B) (C) (D) (E) (F) (G) (H) (I) (J)
KX080-4S2
590
(23.2)
770
(30.3)
2200
(86.6)
7300
(287.4)
5250
(206.7)
4600
(181.1)
3850
(151.6)
1460
(57.5)
4990
(196.5)
7330
(288.6)
(K) (L) (M) (N) (O) (P) (Q) (R) (S)
KX080-4S2
500
(19.7)
500
(19.7)
2540
(100.0)
2200
(86.6)
7170
(282.3)
1460
(57.5)
6450
(253.9)
2150
(84.6)
2490
(98.0)

Table of Contents

Related product manuals