EasyManua.ls Logo

Kubota WSM OC95-E2 - Page 91

Kubota WSM OC95-E2
106 pages
Print Icon
To Next Page IconTo Next Page
To Next Page IconTo Next Page
To Previous Page IconTo Previous Page
To Previous Page IconTo Previous Page
Loading...
OC60-E2, OC95-E2, WSM ENGINE
S-39
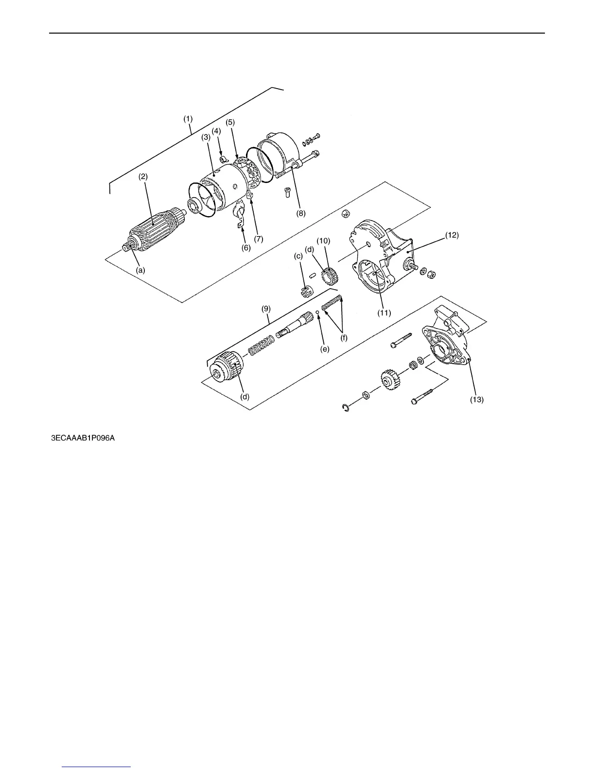
Disassembling Starter (OC95-E2)
(1) Motor (5) Brush Holder (8) Through Bolt (11) Plunger
(2) Armature (6) Connecting Lead (9) Overrunning Clutch (12) Magnet Switch
(3) Yoke (7) Brush (10) Idle Gear (13) Housing
(4) Spring
1. Disconnect the connecting lead (6).
2. Remove the two through bolts (8).
3. Detach the motor (1).
4. Draw out the brush (7) while holding the spring (4) up.
5. Remove the brush holder (5).
6. Draw out the armature (2) from the yoke (3).
7. Remove the housing (13).
8. Remove the idle gear (10) and the overrunning clutch (9).
9. Remove the end cover of magnet switch (12).
10.Remove the plunger (11).

Table of Contents

Related product manuals