EasyManua.ls Logo

Laars EBP0110 - Page 15

Laars EBP0110
40 pages
Print Icon
To Next Page IconTo Next Page
To Next Page IconTo Next Page
To Previous Page IconTo Previous Page
To Previous Page IconTo Previous Page
Loading...
Endurance
Page 15
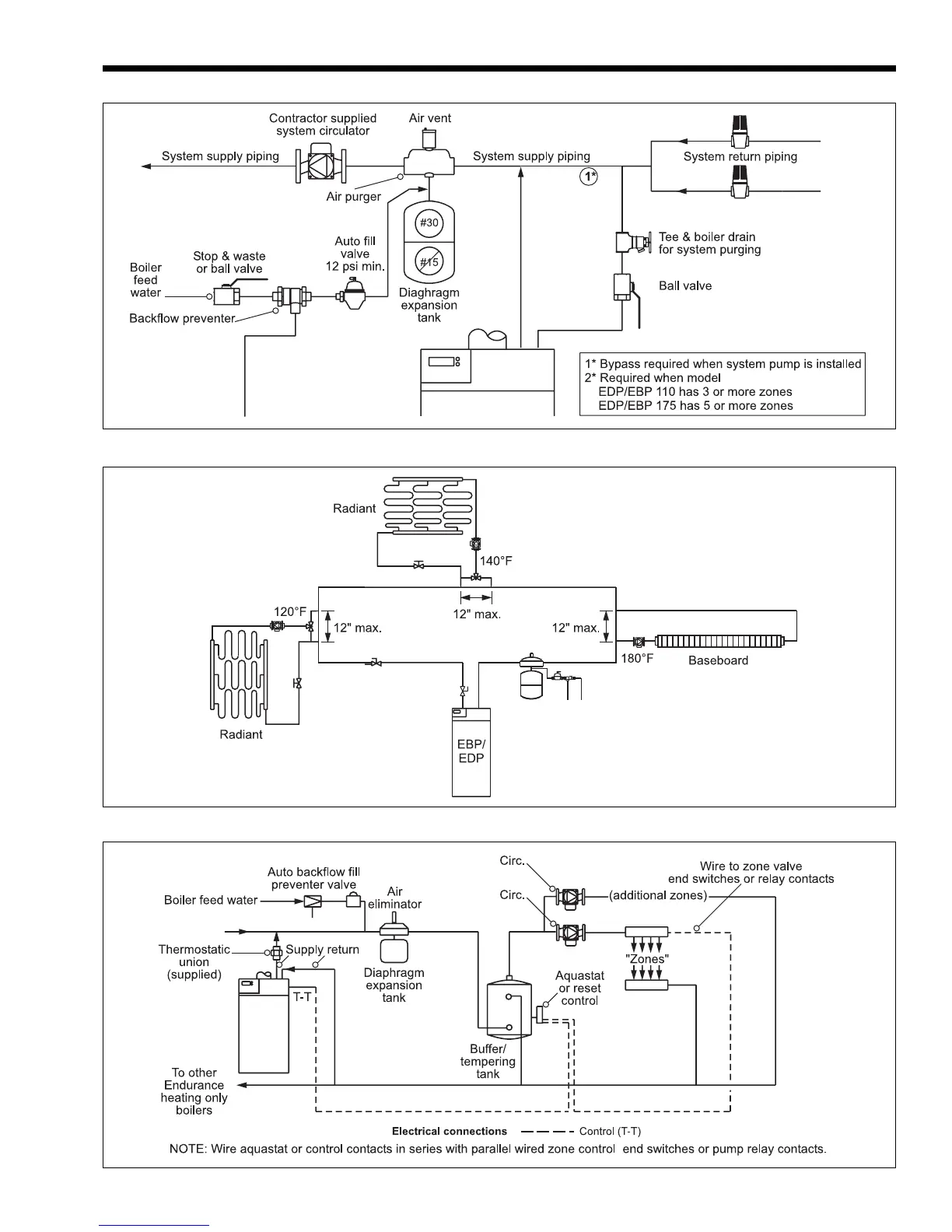
Figure 19. Hydronic Piping EDP/EBP with Zone Valves.
Figure 20. Piping, Single EDP/EBP Boiler for Multiple Temperature Systems.
Figure 21. Piping, Model “EDP/EDN” for Radiant Floor.

Table of Contents

Related product manuals