EasyManua.ls Logo

Laars MFTHW199 - Ladder Diagram

Laars MFTHW199
96 pages
Print Icon
To Next Page IconTo Next Page
To Next Page IconTo Next Page
To Previous Page IconTo Previous Page
To Previous Page IconTo Previous Page
Loading...
Mascot FT, Heating Only, Boiler
Page 51
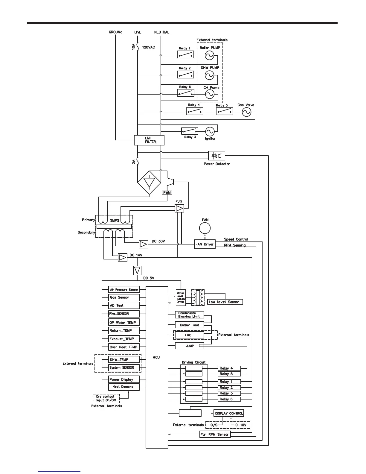
4.20 Ladder Diagram

Table of Contents

Related product manuals