EasyManua.ls Logo

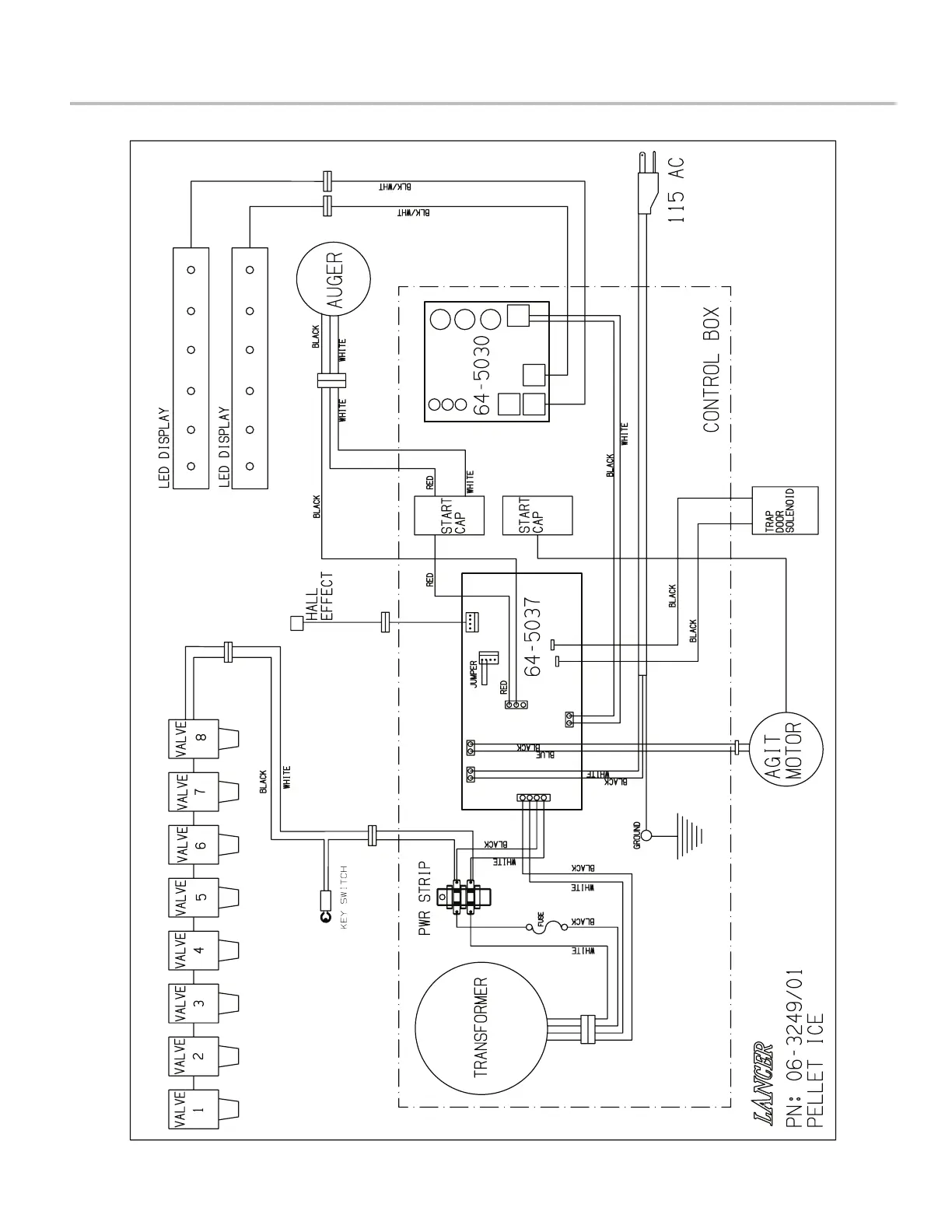
lancer Sensation - Wiring Diagram - 115 Volt

lancer Sensation
28 pages
Print Icon
To Next Page IconTo Next Page
To Next Page IconTo Next Page
To Previous Page IconTo Previous Page
To Previous Page IconTo Previous Page
Loading...
26
Wiring Diagram - 115 Volt

Related product manuals