EasyManua.ls Logo

Lastec 3372 - Wiring Schematic

Default Icon
60 pages
Print Icon
To Next Page IconTo Next Page
To Next Page IconTo Next Page
To Previous Page IconTo Previous Page
To Previous Page IconTo Previous Page
Loading...
Maintenance
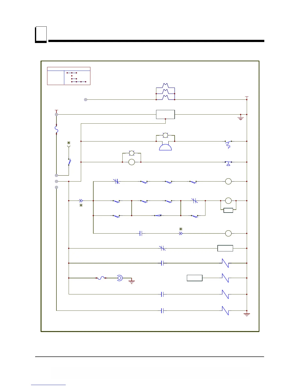
Wiring Schematic
5
5-11 Lastec Mower 3372/103006 Maintenance
Kubota ZTR Mower 3372/86 2872/86 Harness P/N 051530 Rev A.01
CR3
Start
CR2
Clutch
CR1
Run
F1
30A
30
AC
50
Starter
Clutch
Blade SW
Blade SW
CR1
CR2
CR3
OFF
OFF
OFF
OFF
OFF
Alternator
Regulator
Starter/Batt
85 86
85 86
85 86
red
red/blk
red
blk
blk
blk
blk
blk
blk
red/yel
org org/wht grn
grn/wht
yel/blk
wht
grn/org
wht/blu
red/grn
red/blk
red/blk yel
blu
vio/wht
org
30 87
DELAY
Glow Plugs
Key Switch
19 30 AC 17 50
0
1
2
3preheat
off
on
start
EX
19
FUEL (hold)
FUEL (pull)
STARTER
red/blk
yel/wht
Brake1
Brake1
14ga
F2
10A
Batt Gnd
red/blk
red/blk
Hour Meter
red/blk
Blade SW
OFF
com C
com C
com B
RN
LN
Brake2
CR4
R
R
Oil Press
Water Temp
CR4
RN
LN
Seat
Alarm
red/blk
vio
gry
red/wht
Seat
30 87A
30 87
30 87
85 86
OFF
Brake2
Wing
grn/org
Lift
14ga
14ga
14ga
red
red
Lift Home
Serial Number 1720505 and Later
Go to www.lastec.com for latest changes in this manual.

Table of Contents

Related product manuals