EasyManua.ls Logo

Lathem PC700 - Page 42

Lathem PC700
52 pages
Print Icon
To Next Page IconTo Next Page
To Next Page IconTo Next Page
To Previous Page IconTo Previous Page
To Previous Page IconTo Previous Page
Loading...
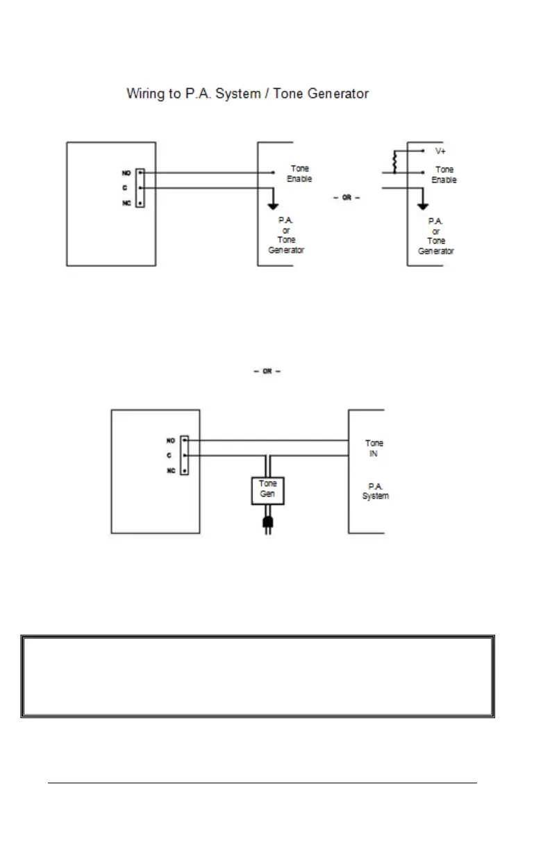
38 Appendix B - Bell Relay Connections
Important! Connecting the PC700 to a public address (PA) system
requires the use of an external Tone Generator. Contact your PA
supplier to acquire an appropriate Tone Generator for your system.
PC700
PC700

Table of Contents

Related product manuals