EasyManua.ls Logo

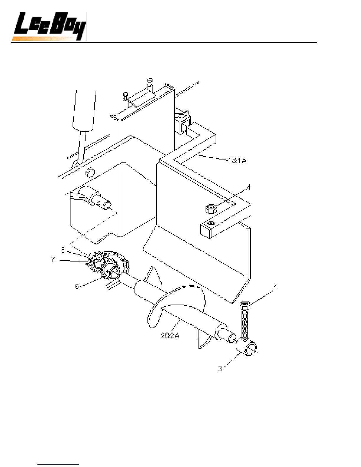
LeeBoy 8500 - Auger Extension (24 Inch); 24-Inch Auger Extension Assembly

LeeBoy 8500
117 pages
Print Icon
To Next Page IconTo Next Page
To Next Page IconTo Next Page
To Previous Page IconTo Previous Page
To Previous Page IconTo Previous Page
Loading...
AUGER EXTENSION 24”
50

Table of Contents

Related product manuals