EasyManua.ls Logo

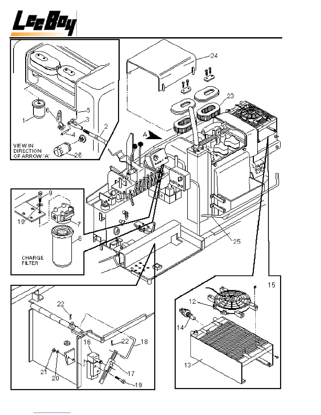
LeeBoy 8500 - Filter Location and Accessories (Hatz); Hatz Engine Filter Components

LeeBoy 8500
117 pages
Print Icon
To Next Page IconTo Next Page
To Next Page IconTo Next Page
To Previous Page IconTo Previous Page
To Previous Page IconTo Previous Page
Loading...
FILTER LOCATION & ACCESSORIES
(HATZ)
32

Table of Contents

Related product manuals