EasyManua.ls Logo

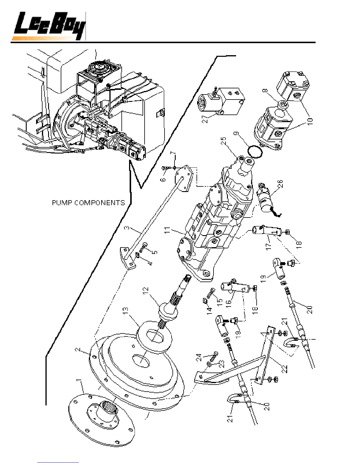
LeeBoy 8500 - Sundstrand Pump Components; Sundstrand Pump Assembly

LeeBoy 8500
117 pages
Print Icon
To Next Page IconTo Next Page
To Next Page IconTo Next Page
To Previous Page IconTo Previous Page
To Previous Page IconTo Previous Page
Loading...
PUMP COMPONENTS
SUNDSTRAND
22

Table of Contents

Related product manuals