EasyManua.ls Logo

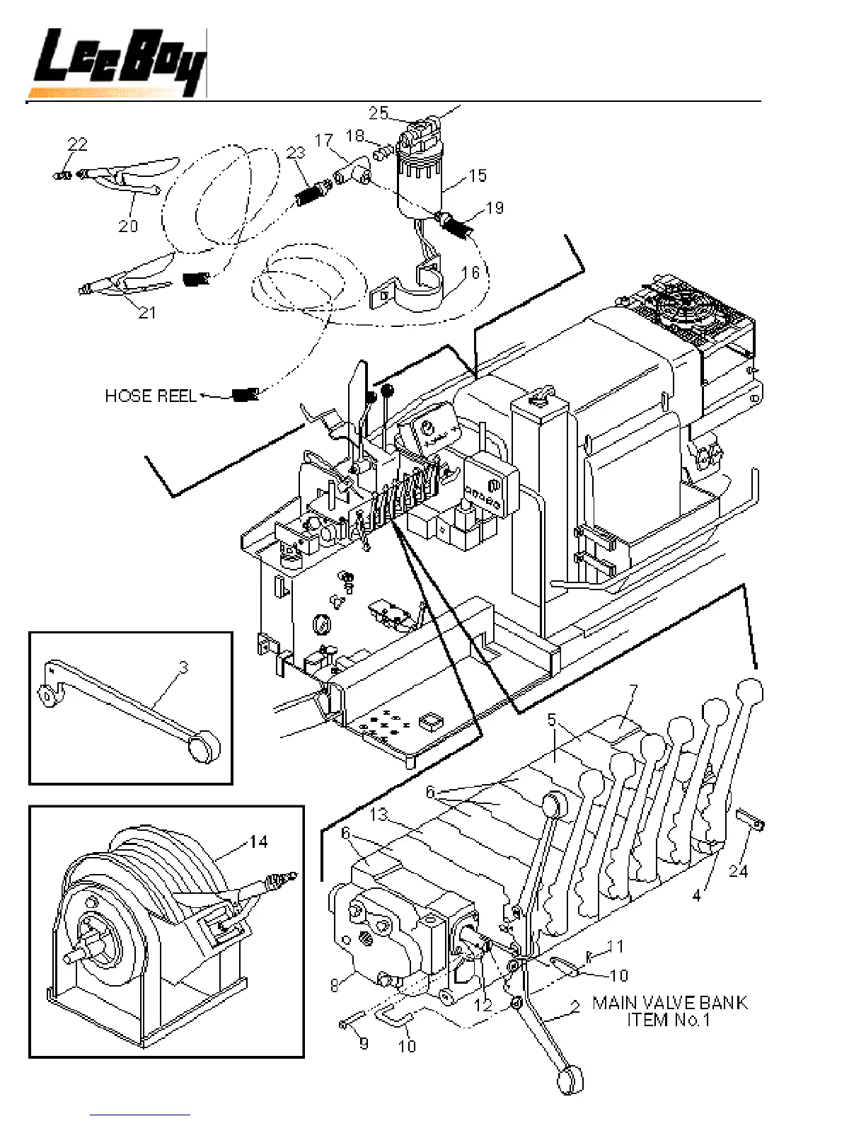
LeeBoy 8500 - Main Valve and Spray Down System; Main Valve Bank Assembly; Spray Down System Components

LeeBoy 8500
117 pages
Print Icon
To Next Page IconTo Next Page
To Next Page IconTo Next Page
To Previous Page IconTo Previous Page
To Previous Page IconTo Previous Page
Loading...
MAIN VALVE AND SPRAY DOWN
30

Table of Contents

Related product manuals