EasyManua.ls Logo

Lennox CSC - Page 11

Lennox CSC
33 pages
Print Icon
To Next Page IconTo Next Page
To Next Page IconTo Next Page
To Previous Page IconTo Previous Page
To Previous Page IconTo Previous Page
Loading...
• 9 •
SVL1
DS
SVL2
SVL3
HP1
HP2
CH3
CH1
SVL4
OS
(ELEMENTO OPCIONAL)
SVL1 SVL2
C1
C
H
1
DS
LP1 HP1
PT1
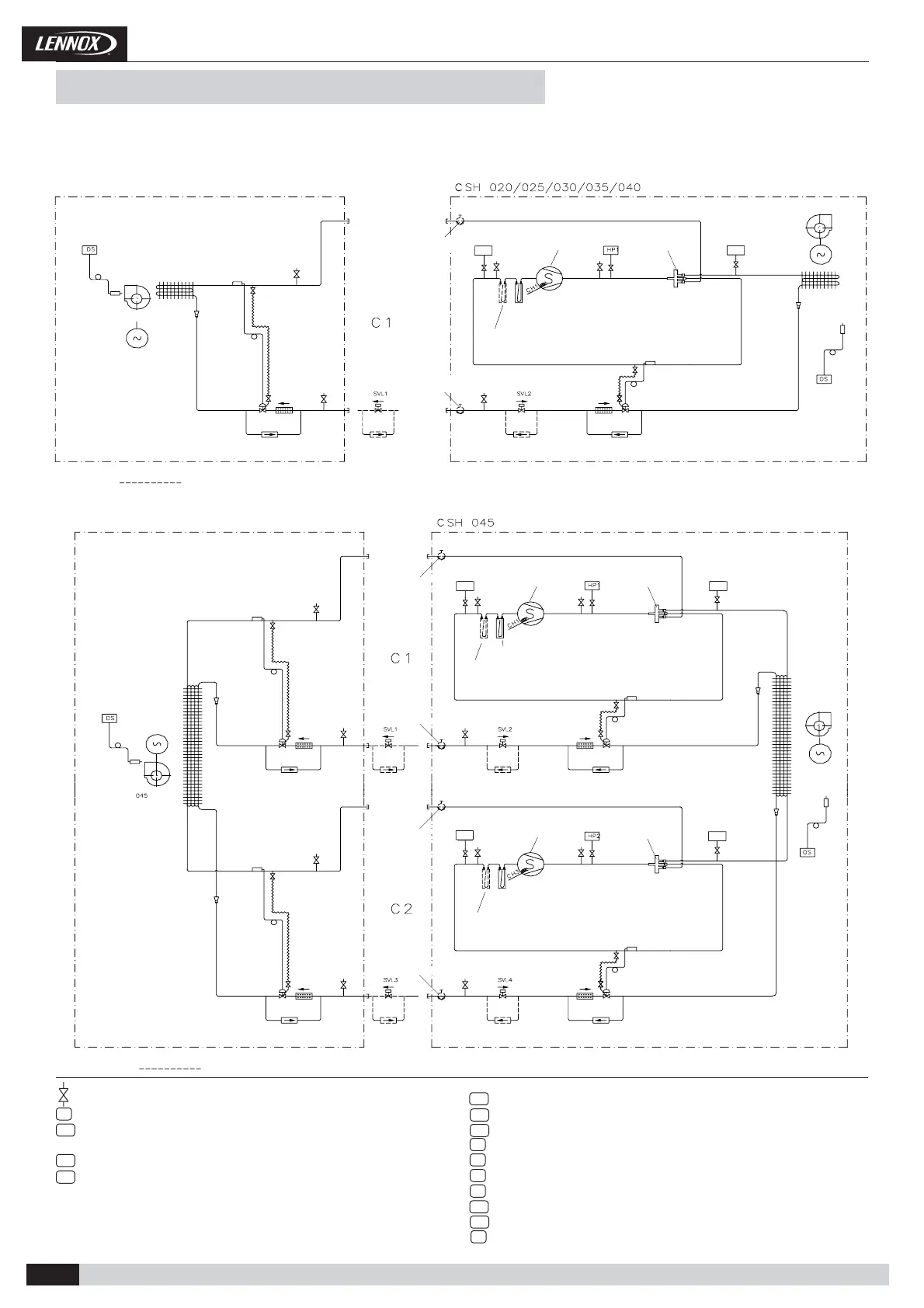
CSH 020/025/030/035/040
OS
(ELEMENTO OPCIONAL)
SVL3 SVL4
045
DS
LP2
SVL1
HP2
SVL2
PT2
LP1 HP1 PT1
C
H
3
C
H
1
C2
C1
CSH 045
OS
HPT1
LPT1
HPT1LPT1
HPT2
LPT2
HPT1
HPT2
LPT1
LPT2
Installation, Operation and Maintenance manual • CSC/CSH-MIL153E-1217-05/2018
1.- GENERAL CHARACTERISTICS
1.5.- PIPING DRAWINGS HEAT PUMP UNITS
Scroll compressor
AIR TREATMENT UNIT. EXAMPLE
CONDENSING UNIT
OPTION ELEMENT
4-way valve
AIR TREATMENT UNIT. EXAMPLE
CONDENSING UNIT
Scroll compressor
4-way valve
Scroll compressor
4-way valve
OPTION ELEMENT
Fan
Expansion valve
Filter drier
Service valve
option
Service valve
option
Fan motor
Coil
Suction accumulator
(Remote connection option)
Coil
Check valve Check valve
Filter drier
Expansion valve
Check valve
Suction accumulator
Check valve
Coil
Fan motor
Coil
Fan
Expansion valve
Filter drier
Service valve option
Service valve option
Suction accumulator (Long
distance connection option)
Check valve Check valve
Filter drier
Expansion valve
Check valve
Suction accumulator
Check valve
Service valve option
Service valve option
Expansion valve
Filter drier
Suction accumulator (Long
distance connection option)
Check valve Check valve
Filter drier
Expansion valve
Check valve
Suction accumulator
Check valve
Pressure gauge. (5/16” to be tted by the installer).
Discharge sensor.
Liquid solenoid valve (Long distance option).
To be connected by the installer in the air treatment unit.
Liquid solenoid valve (Long distance option).
Liquid solenoid valve (Long distance option).
To be connected by the installer in the air treatment unit.
Liquid solenoid valve (Long distance option).
Low pressure transducer, circuit 1.
Low pressure transducer, circuit 2.
High pressure switch, circuit 1.
High pressure switch, circuit 2.
Crank case heater.
Crank case heater.
High pressure transducer, circuit 1.
High pressure transducer, circuit 2.
Outdoor temperature sensor.

Related product manuals