EasyManua.ls Logo

Lennox GAH 020S

Lennox GAH 020S
68 pages
To Next Page IconTo Next Page
To Next Page IconTo Next Page
To Previous Page IconTo Previous Page
To Previous Page IconTo Previous Page
Loading...
• 27 •
GAH 140D
GAH 160D
Installation manual /eCOMFORT-MIL150E-0916 / 05/2017
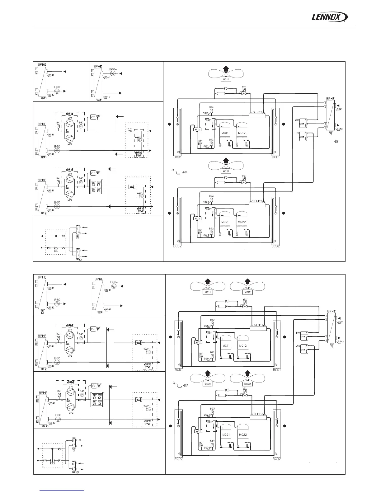
1.- GENERAL CHARACTERISTICS
1.8.- PIPING DRAWINGS
HEAT PUMP UNITS
Desuperheater
Desuperheater
Discharge - Circuit 1
Discharge - Circuit 1
Discharge - Circuit 2
Discharge - Circuit 2
FILTER
FILTER
FILTER
FILTER
CUSTOMER
CONNECTIONS
CUSTOMER
CONNECTIONS
CUSTOMER CONNECTIONS
CUSTOMER
CONNECTIONS
eDRIVE pump + water pump (options)
eDRIVE pump (option)
Electronic ow switchFlow switch
eDRIVE pump + water pump (options)
TANK
TANK
eDRIVE pump (option)
Electronic ow switchFlow switch

Related product manuals