EasyManua.ls Logo

Lennox GAH 020S - Page 30

Lennox GAH 020S
68 pages
Print Icon
To Next Page IconTo Next Page
To Next Page IconTo Next Page
To Previous Page IconTo Previous Page
To Previous Page IconTo Previous Page
Loading...
• 28 • • 28 •
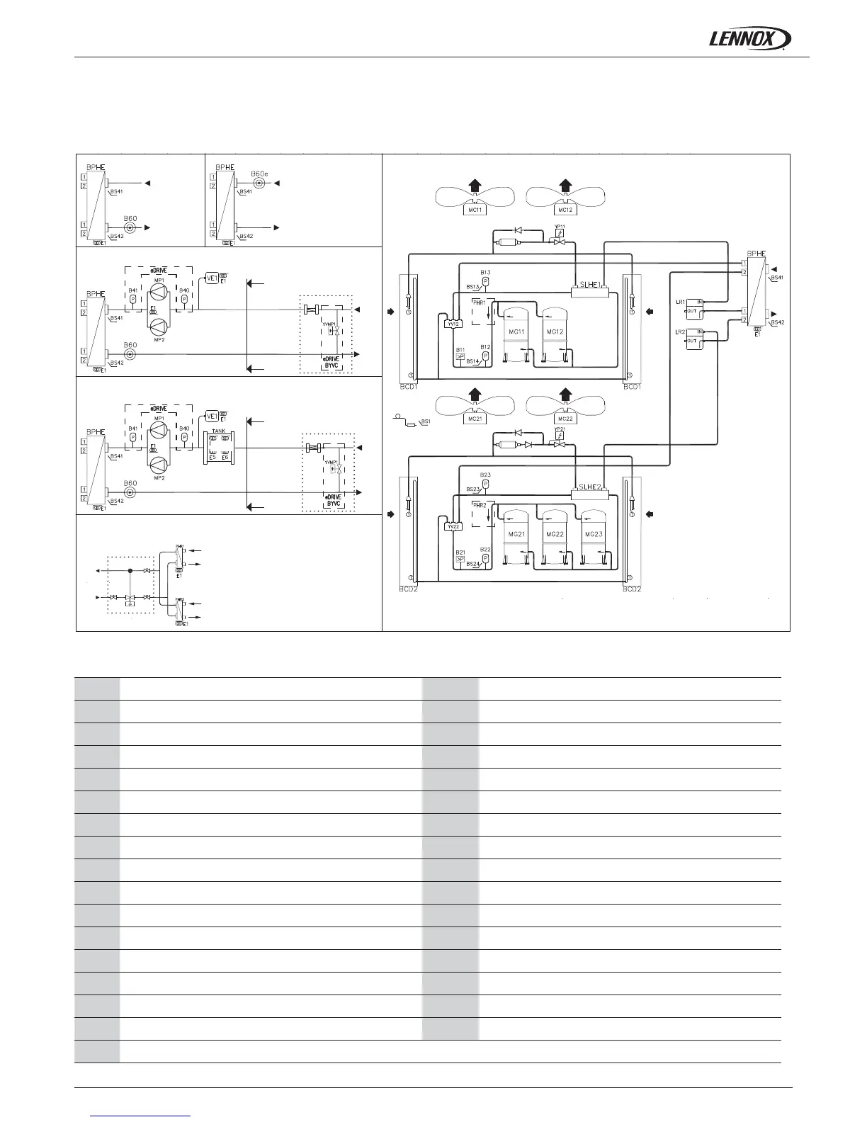
B11 BS41
B12 BS42
B13 E1
B21 E2
B22 E3-4-5-6
B23 LR
B40 MC
B41 MG
B60 MP
B60e PHR 1-2
BCD SLHE
BPHE VE1
BS1 YP11
BS13 YP21
BS14 YV12-22
BS23 YVMP1
BS24
GAH 185D
Installation manual /eCOMFORT-MIL150E-0916 / 05/2017
1.- GENERAL CHARACTERISTICS
LEGEND LEGEND
High pressure pressostat 1 Inlet water temperature
High pressure transducer 1 Outlet water temperature
Low pressure transducer 1 Evaporator antifreeze heater
High pressure pressostat 2 Antifreeze heater
High pressure transducer 2 Electrical heater
Low pressure transducer 2 Liquid receiver
Inlet water pressure Fan
Outlet water pressure Scroll compressor
Water ow switch Water Pump
Electronic water ow switch Partial Heat Recovery
Condenser Suction liquid heat exchanger
Evaporator (plate heat exchanger) Expansion vessel
Outdoor temperature Electronic expansion valve - Circuit 1
Suction temperature 1 Electronic expansion valve - Circuit 2
Discharge temperature 1 4 way reversing valve
Suction temperature 2 By-pass valve
Discharge temperature 2
1.8.- PIPING DRAWINGS
HEAT PUMP UNITS
Electronic ow switch
Flow switch
Desuperheater
Discharge - Circuit 1
Discharge - Circuit 2
CUSTOMER
CONNECTIONS
CUSTOMER
CONNECTIONS
eDRIVE pump (option)
FILTER
TANK
eDRIVE pump + water pump (options)
FILTER

Related product manuals