EasyManua.ls Logo

Lenze 9350 - Page 35

Lenze 9350
55 pages
Print Icon
To Next Page IconTo Next Page
To Next Page IconTo Next Page
To Previous Page IconTo Previous Page
To Previous Page IconTo Previous Page
Loading...
Electrical installation
Connection
Permissible cable lengths
5
l
33
EDBMB935X EN 8.0
+UG
-UG
A1
E A E A E A
Z1
Z2
Zx
RB1
L8m
31
£
2
RB2
L8m
32
£
RBx
L8m
3x
£
L
11
L
0
L
13
L2m
21
£
L+L 2m
011
£
L+L 2m
012
£
L+L 2m
01x
£
L2m
2x
£
L
12
2 2
2
2 2 2
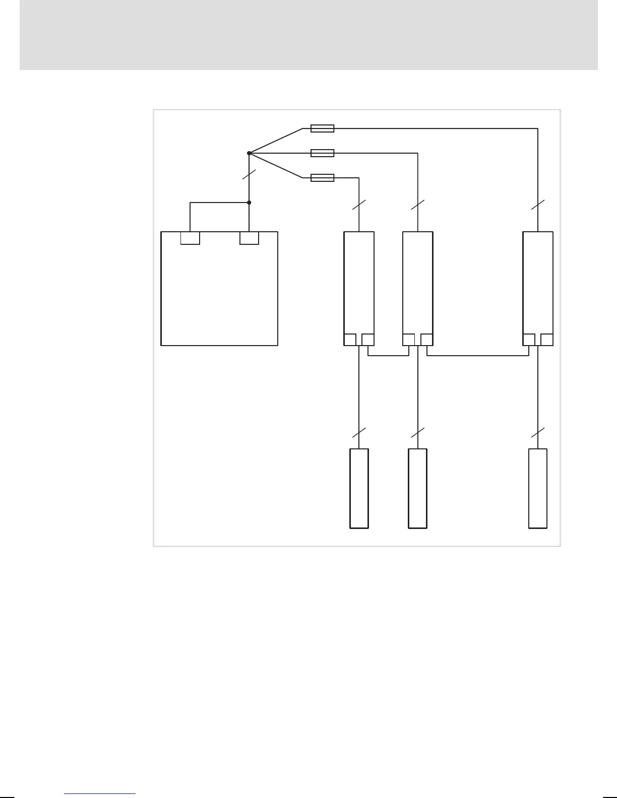
9350br_005
Fig. 4 Example circuit for parallel operation
A1 Controller
Z1 Brake chopper 1 = master
Z2 ... Zx Brake chopper 2 ... x = slave 2 ... slave x
RB1, RB2, RBx External brake resistors
L0 Cable length of controller  collection point
L1x Cable length of collection point  braking unit
L2x Cable length of synchronisation cable for parallel operation
L3x Cable length of brake chopper  brake resistor

Table of Contents

Related product manuals