EasyManua.ls Logo

Lenze DeviceNet PT E82ZAFVC010 - Spannungsversorgung

Lenze DeviceNet PT E82ZAFVC010
Print Icon
To Next Page IconTo Next Page
To Next Page IconTo Next Page
To Previous Page IconTo Previous Page
To Previous Page IconTo Previous Page
Loading...
3 Elektrische Installation
Spannungsversorgung
EDK82ZAFVC010 DE/EN/FR 2.0
20
l
H1_E_INST−Merker_hidden ueb−rate
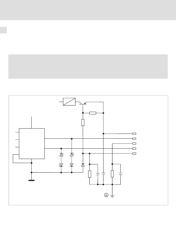
Spannungsversorgung
Externe Spannungsversorgung
) Hinweis!
Kommunikationsbaugruppen DeviceNet von Lenze werden ausschließlich
extern über das DeviceNet−Kabel versorgt!
Interne Beschaltung der Bus−Klemmen
V
cc
V
cc
V+
CAN-HIGH
Shield
CAN-LOW
V-
7
6
2
8
5
3
1
4
2175DeN007

Table of Contents

Related product manuals