EasyManua.ls Logo

Lenze Smart Motor m300-E - Page 56

Lenze Smart Motor m300-E
100 pages
Print Icon
To Next Page IconTo Next Page
To Next Page IconTo Next Page
To Previous Page IconTo Previous Page
To Previous Page IconTo Previous Page
Loading...
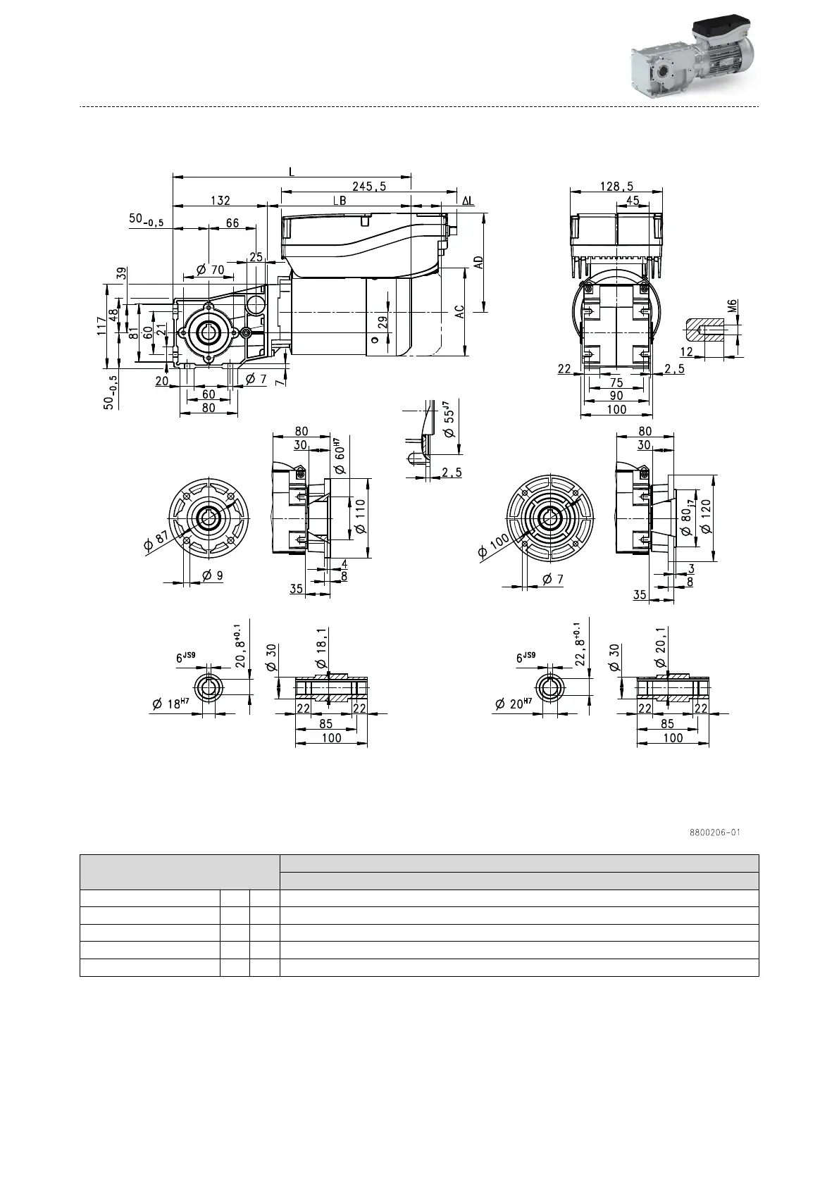
g500-B45
Gearbox design: hollow sha, with f
oot (HAR/HBR/HAK)
Motor MSEMA☐☐
063-42
Total length L mm 332
Motor length LB mm 200
Length of motor opons Δ L mm 40
Motor diameter AC mm 123
Motor/connecon dis
tance AD mm 141
Technical data
Dimensions
Basic dimensions
56

Related product manuals