EasyManua.ls Logo

Lenze Smart Motor m300-E - Page 72

Lenze Smart Motor m300-E
100 pages
Print Icon
To Next Page IconTo Next Page
To Next Page IconTo Next Page
To Previous Page IconTo Previous Page
To Previous Page IconTo Previous Page
Loading...
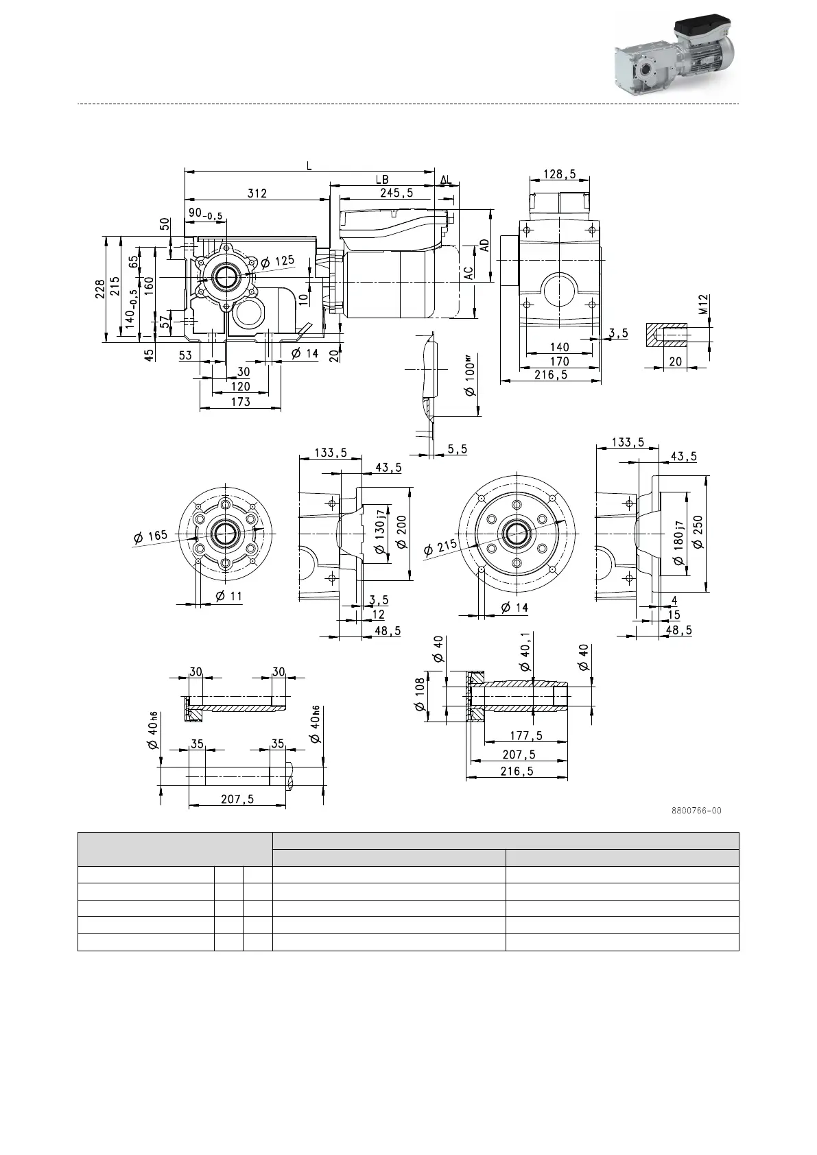
g500-B820
Gearbox design: hollow sha with shrink disc, with f
oot (SAR/SBR/SAK)
Motor MSEMA☐☐
063-42 080-32
Total length L mm 495 538
Motor length LB mm 183 226
Length of motor opons Δ L mm 40 73
Motor diameter AC mm 123 156
Motor/connecon dis
tance AD mm 141 159
Technical data
Dimensions
Basic dimensions
72

Related product manuals