EasyManua.ls Logo

Lenze Smart Motor m300-E - Page 75

Lenze Smart Motor m300-E
100 pages
Print Icon
To Next Page IconTo Next Page
To Next Page IconTo Next Page
To Previous Page IconTo Previous Page
To Previous Page IconTo Previous Page
Loading...
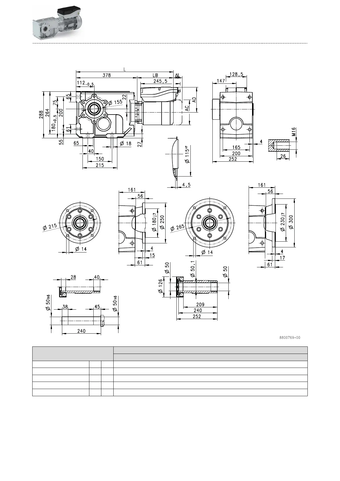
g500-B1500
Gearbox design: hollow sha with shrink disc, with f
oot (SAR/SBR/SAK)
Motor MSEMA☐☐
080-32
Total length L mm 604
Motor length LB mm 226
Length of motor opons Δ L mm 73
Motor diameter AC mm 156
Motor/connecon dis
tance AD mm 159
Technical data
Dimensions
Basic dimensions
75

Related product manuals