EasyManua.ls Logo

LG MCD112 - Str-S6757 If1905

LG MCD112
65 pages
Print Icon
To Next Page IconTo Next Page
To Next Page IconTo Next Page
To Previous Page IconTo Previous Page
To Previous Page IconTo Previous Page
Loading...
3-16
Copyright © 2009 LG Electronics. Inc. All right reserved.
Only for training and service purposes
LGE Internal Use Only
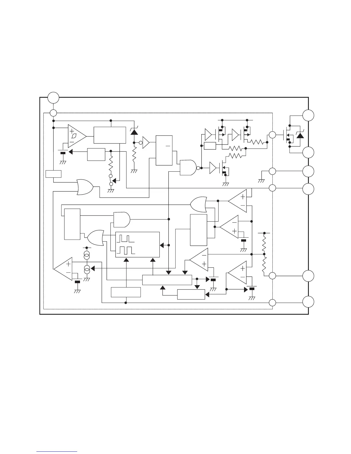
5. STR-S6757IF1905
4
Vcc
Start
Stop
Burst
OSC
Protection
latch
DRIVE
Reg
Delay
Burst
Control
BSD
OCP
GND
S
D
FB
FB
OCP/BD
SS/OLP
BD
Q
Q
S
S
R
R
MaxON
RQ
S
OLP
Reg&
Iconst
Soft Start
Counter
Bottom Selector
5
7
6
3
2
1
OVP

Table of Contents

Related product manuals