EasyManua.ls Logo

LG MCD112 - Usb Schematic Diagram

LG MCD112
65 pages
Print Icon
To Next Page IconTo Next Page
To Next Page IconTo Next Page
To Previous Page IconTo Previous Page
To Previous Page IconTo Previous Page
Loading...
4-15 4-16
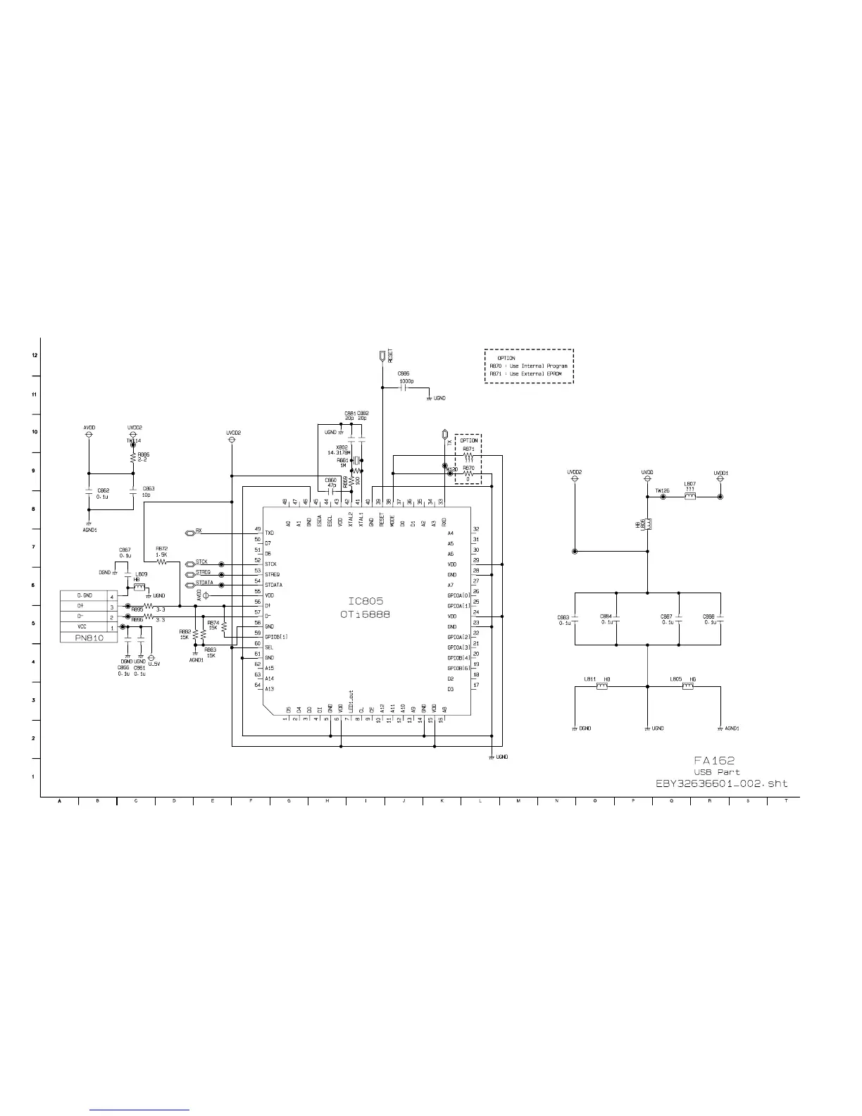
2. USB SCHEMATIC DIAGRAM
Copyright © 2009 LG Electronics. Inc. All right reserved.
Only for training and service purposes
LGE Internal Use Only

Table of Contents

Related product manuals